• HE1223

    Løftehengsel

    Anvendelse
    1223 for innadslående vinduer uten tetningslist,
    1223-01 for innadslående vinduer med tetningslist.

    Utførelse
    Høyre og venstre slagretning.
    Galvanisert stål.

    Tilbehør
    Anbefalt skrue for dim. 85 mm = 6 stk. TFX 4,5 x 25.
    Anbefalt skrue for dim. 100 mm = 6 stk TFX 5 x 30.

  • HE2418

    Løftehengsel

    Anvendelse
    For utadslående vinduer og ufalsede, lettere dører.

    Funksjon
    Høyre og venstre slagretning.
    Ulik lengde på pinner for å gjøre opphenging enklere.

    Utførelse
    Galvanisert stål.
    Pulverlakkert.

    Tilbehør
    Anbefalt skrue 6 stk TFX 4,5 x 30.

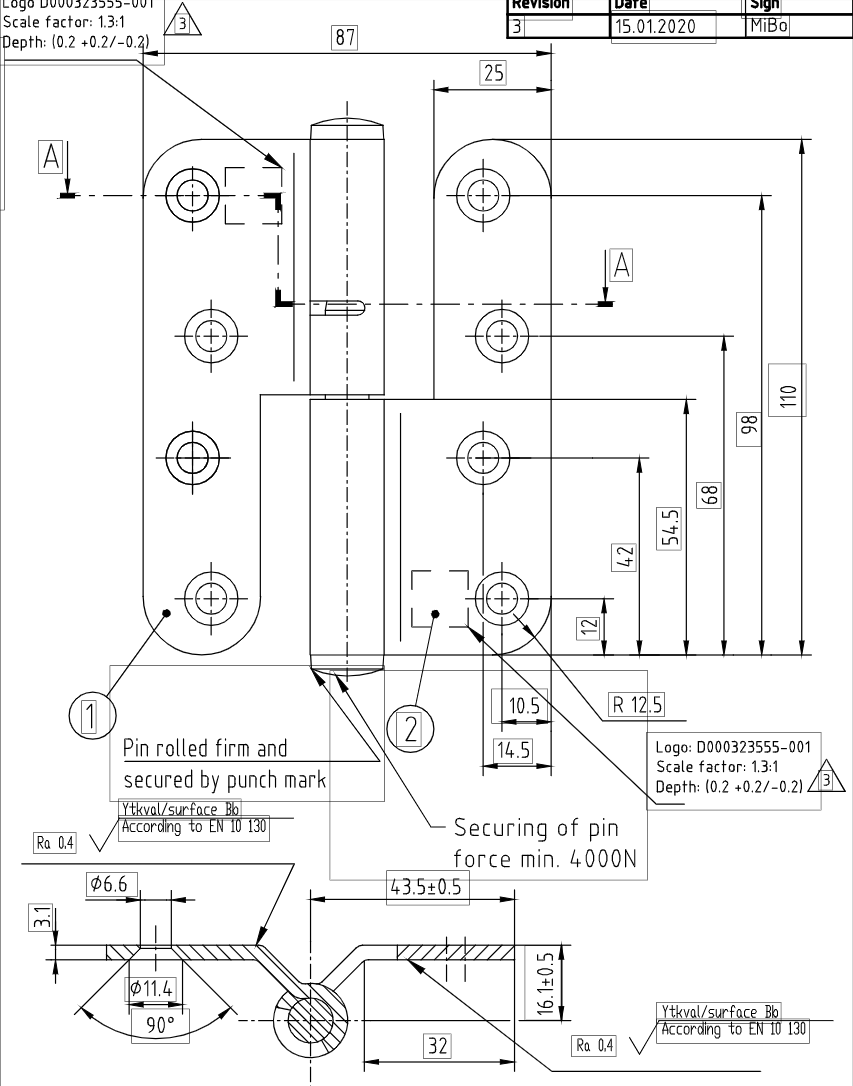
  • HE3220

    Tappbærende løftehengsel

    Anvendelse
    For ufalsede dører, utadslående balkongdører og vinduer etc.

    Funksjon
    Høyre og venstre slagretning.
    Tappbærende.
    Med brikkeinnkast for enkel høydejustering.

    Utførelse
    Galvanisert stål.
    Herdede ståltapper.

    Tilbehør
    Anbefalt skrue 6 stk TFX 5 x 30.
    Justeringsbrikke 249.

  • HE3225-08

    Anvendelse

    For ufalsede dører, utadslående balkongdører og
    vinduer etc. For innbruddssikrede dører.

    Materiale

    Galvanisert stål.

    Herdede ståltapper.

    Utførelse

    Høyre og venstre slagretning.
    Tappbærende.
    Med brikkeinnkast for enkel høydejustering.

    Tilbehør

    Anbefalt skrue 8 stk. TFX 5 x 30.
    Kan kompletteres med karmforsterkende
    festeplate 248-28, som monteres med
    maskinskruer. Når festeplate brukes, anbefales 4
    stk. MFX 6 og 2 stk.
    TFX 5 x 30. Justeringsbrikke 249.
    Bakkantsikring 2301.

  • HE3228

    Tappbærende løftehengsel

    Anvendelse
    For ufalsede dører, utadslående vinduer etc.

    Funksjon
    3228-08 for innbruddssikrede dører.
    Høyre og venstre slagretning.
    Allmue med pynteknapp.
    Tappbærende.
    Med brikkeinnkast for enkel høydejustering.
    Kan kombineres med 3240-01 eller 3241-04, 05 på dører med stålkarm.

    Utførelse
    Galvanisert stål.
    Gul og svart sink alloy.
    Herdede ståltapper.

    Tilbehør
    Anbefalt skrue 8 stk. TFX 5 x 30.
    Kan kompletteres med karmforsterkende festeplate 248-28, som monteres med maskinskruer. Når festeplate brukes, anbefales 4 stk. MFX 6 og 2 stk. TFX 5 x 30.
    Justeringsbrikke 249.
    Bakkantsikring 2301 til 3228-08.

  • HE3228-SS

    Tappbærende løftehengsel, rustfri

    Anvendelse
    For ufalsede dører, utadslående balkongdører etc.

    Funksjon
    Høyre og venstre slagretning.
    Tappbærende.
    Med brikkeinkast for enkel høydejustering.

    Utførelse
    Rustfritt stål, SS 2333 (AISI 304).

    Tilbehør
    Anbefalt skrue 8 stk. TFX 5 x 30.
    Justeringsbrikke 249.

  • HE3244

    Tappbærende løftehengsel

    Anvendelse
    For ufalsede dører etc.

    Utførelse
    Høyre og venstre slagretning.
    Allmue med pynteknapp.
    Halvsymmetrisk, tappbærende.
    Med brikkeinnkast for enkel høydejustering.
    Symmetrisk utfresning.
    Kan kombineres med 3240-01 eller 3241-05, 05 på dører med stålkarm.

    Tekniske data
    Galvanisert stål.
    Svart sink alloy.
    Herdede ståltapper.

    Tilbehør
    Anbefalt skrue 8 stk. TFX 4,5 x 25
    Justeringsbrikke 249

  • HE3248

    Tappbærende løftehengsel

    Anvendelse
    For ufalsede dører, utadslående balkongdører etc.

    Utførelse
    Galvanisert stål.
    Svart sink alloy. Herdede ståltapper.
    Høyre og venstre slagretning.
    Allmue med pynteknapp.
    Halvsymmetrisk, tappbærende.
    Med brikkeinnkast for enkel høydejustering.
    Symmetrisk utfresning.
    Kan kombineres med 3240-01 eller 3241-04, 05 på dører med stålkarm.

    Tilbehør
    Anbefalt skrue 8 stk. TFX 5 x 30.
    Kan kompletteres med karmforsterkende festeplate 248-48, som monteres med maskinskruer. Når festeplate brukes, anbefales 4 stk. MFX 6 og 2 stk. TFX 5 x 30. Justeringsbrikke 249.

  • HE3229

    Tappbærende løftehengsel

    Anvendelse
    For ufalsede dører etc.

    Funksjon
    Høyre og venstre slagretning.
    Tappbærende.
    Med brikkeinnkast for enkel høydejustering.
    Kan kombineres med 3240-01 eller 3241-04, 05 på dører med stålkarm.

    Utførelse
    Galvanisert stål.
    Herdede ståltapper.

    Tilbehør
    Anbefalt skrue 8 stk. TFX 5 x 30.
    Kan kompletteres med karmforsterkende festeplate 248-28, som monteres med maskinskruer. Når festeplate brukes, anbefales 4 stk. MFX 6 og 2 stk. TFX 5 x 30. Justeringsbrikke 249.

  • HE3288

    Tappbærende løftehengsel

    Anvendelse
    For ufalsede dører, utadslående balkongdører etc.

    Funksjon
    Høyre og venstre slagretning.
    Halvsymmetrisk, tappbærende.
    Symmetrisk utfresning.
    Med brikkeinnkast for enkel høydejustering.

    Utførelse
    Galvanisert stål.
    Herdede ståltapper.

    Tilbehør
    Anbefalt skrue 8 stk. TFX 5 x 30.
    Kan kompletteres med karmforsterkende festeplate 248-48, som monteres med maskinskruer. Når festeplate brukes, anbefales 4 stk. MFX 6 og 2 stk. TFX 5 x 30. Justeringsbrikke 249.

  • HE3012

    Tappbærende hengsel

    Anvendelse
    For ståldører med stålkarm.

    Funksjon
    Høyre og venstre slagretning.
    Tappbærende.
    Med brikkeinnkast for enkel høydejustering.
    Innstikkshengsel.

    Utførelse
    Galvanisert stål.

    Tilbehør
    Justeringsbrikke 249.
    Skruer avhengig av karmens utførelse.
    .