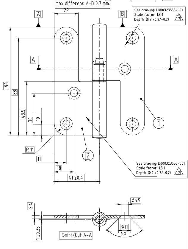
HE3220

Tappbærende løftehengsel

Anvendelse
For ufalsede dører, utadslående balkongdører og vinduer etc.

Funksjon
Høyre og venstre slagretning.
Tappbærende.
Med brikkeinnkast for enkel høydejustering.

Utførelse
Galvanisert stål.
Herdede ståltapper.

Tilbehør
Anbefalt skrue 6 stk TFX 5 x 30.
Justeringsbrikke 249.

Cookie consent

This video is hosted by YouTube. By showing the external content you accept the terms and conditions of www.youtube.com.

*Your choice will be saved in a cookie until you have closed your browser.