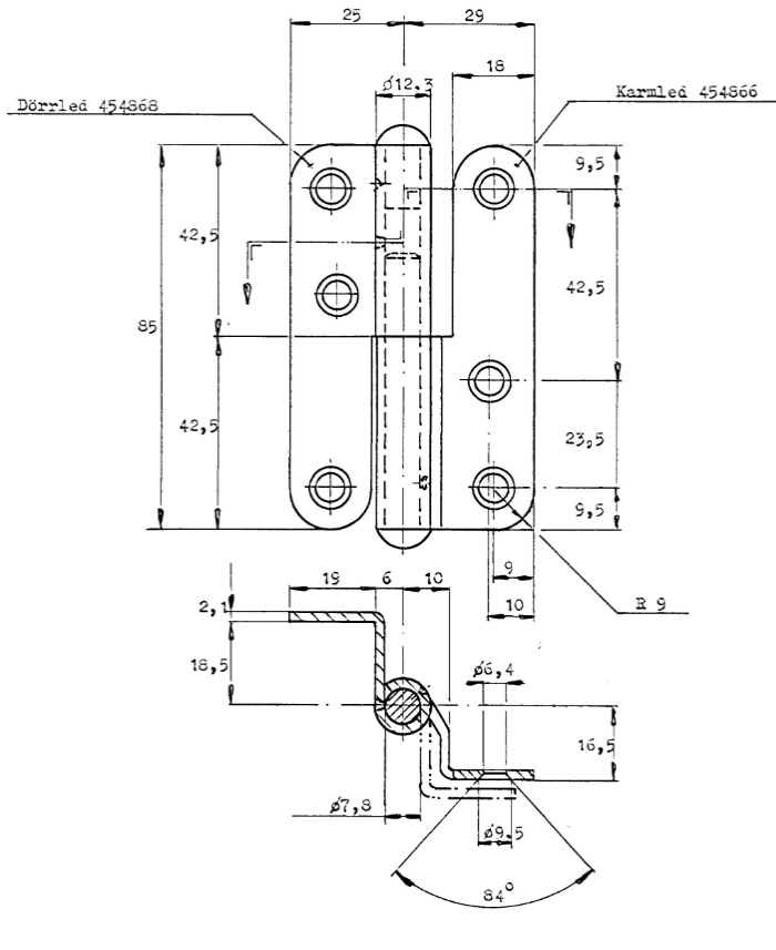
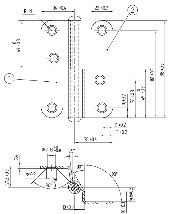
HE1223

Løftehengsel

Anvendelse
1223 for innadslående vinduer uten tetningslist,
1223-01 for innadslående vinduer med tetningslist.

Utførelse
Høyre og venstre slagretning.
Galvanisert stål.

Tilbehør
Anbefalt skrue for dim. 85 mm = 6 stk. TFX 4,5 x 25.
Anbefalt skrue for dim. 100 mm = 6 stk TFX 5 x 30.

1 of 3

Cookie consent

This video is hosted by YouTube. By showing the external content you accept the terms and conditions of www.youtube.com.

*Your choice will be saved in a cookie until you have closed your browser.