jumpToMainContent
It looks like you are visiting from a different region. Select your country or region for location-specific content.
Go to Ireland
ASSA ABLOY
  • Kariera
  • Do pobrania
  • Abloy Polska
  • Yale Polska
  • Produkty i rozwiązania
  • Usługi
  • O nas
  • Kontakt
  • Zamki patentowe OneSystem
  • Mechaniczne zamki patentowe 309N/319N

Patentowy zamek antypaniczny 309NB / 309NE

Opis:

Zamek 309N to samoczynnie uruchamiający się zamek antypaniczny do drzwi jednoskrzydłowych.Spełnia wymogi dla drzwi antywłamaniowych, drzwi przeciwpożarowych, awaryjnych drzwi wyjściowych i drzwi antypanicznych zgodnie z EN 179 i EN 1125. Mechaniczny system kontroli sekwencji skutecznie zapobiega niepożądanemuwysuwaniu się zasuwy, kiedy drzwi są otwarte. Zamek można stosowaćuniwersalnie do drzwi lewych i prawych dzięki uniwersalnej zapadce podwójnegodziałania i przestawnej zapadce sterującej. Otwierana do zewnątrz i na zewnątrzstrona antypaniczna jest także przestawna.

Zalety:

  • Deklaracja środowiskowa produktu (EPD) zgodna z normą EN 15804 (w przygotowaniu)
  • Testowany przez 500 000 cykli testowych w drzwiacho masie 300 kg
  • Warianty zamków do drzwi dwuskrzydłowych z pełną funkcją antypaniczną, zamek do skrzydła pasywnego z zabezpieczającym prętem górnym do drzwi RC(w przygotowaniu)
  • Samozatrzaskowy mechaniczny system kontrolisekwencyjnej
  • Pasuje do drzwi przeciwpożarowych, EN 1634-1
  • Testowane na zgodność z EN 179/EN 1125
  • Zamknięcie mechaniczne 309N/319N: Wersje z funkcją antypaniczną E i B
371c5-309n.jpg
371c5-309n.jpg

1 of 2

Cookie consent

This video is hosted by YouTube. By showing the external content you accept the terms and conditions of www.youtube.com.

*Your choice will be saved in a cookie until you have closed your browser.

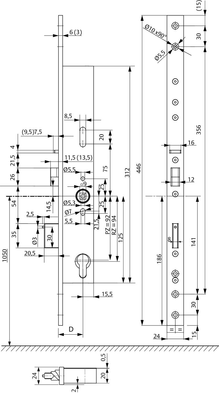
Dormas 35, 40, 45, 55, 65, 80 mm
Otwór klamkowy 9 mm
Rozstaw 92 mm (przygotowany pod profil Euro),
94 mm (przygotowany pod wkładkę o profilu szwajcarskim)
Wysuw rygla 20 mm
Wymiary obudowy (D x S x W) 312 x 20 x dormas + 15,5 mm
Wymiary blachy czołowej: 446 x 24 x 6 mm
Materiał blachy czołowej: Stal, chromowany
Nacisk rygla bocznego zgodnie zEN 12209 20 000 N
Siła reakcji rygla zgodna z EN 12209 6 000 N
Certyfikowany zgodnie z EN 179 / EN 1125
  • PL_2.1901-221 0G0 00 OneSystem Katalog.indd(PDF, 13 MB)
  • O nas
    • Poradnik
    • Publikacje z obszaru kontroli dostępu
    • Aktualności
    • Nasze realizacje
    • Do pobrania
    • Oświadczenie o posiadaniu statusu Dużego Przedsiębiorcy
    • Procedury zgłaszania informacji o naruszeniach prawa
  • Rozwiązania
    • ASSA ABLOY Security Doors
    • Kontrola dostępu
    • Samozamykacze drzwiowe
    • Systemy Master Key
    • Rozwiązania bezdotykowe
    • BIM i specyfikacja
    • Zrównoważony rozwój
  • Usługi
    • Wsparcie techniczne
    • Kontrola i serwis drzwi przeciwpożarowych
    • Gdzie kupisz?
  • Kontakt
    • LinkedIn
    • Facebook
    • YouTube
    • © ASSA ABLOY
    • Informacje prawne
    • Centrum prywatności
    • Zgłaszanie nieprawidłowości
    ASSA ABLOY
    Experience a safer and more open world
    • Produkty i rozwiązania
    • Katalog produktów
    • Elektroniczna kontrola dostępu
    • Samozamykacze
    • Rozwiązania mechaniczne
    • Mechaniczne systemy klucza
    • Klamki i rozety
    • Dźwignie antypaniczne
    • Ochrona palców
    • Uszczelki opadające
    • Rozwiązania elektromechaniczne
    • Depozytory kluczy
    • Urządzenia HID
    • Drzwi i bramy
    • Rozwiązania według zagadnień
    • Drzwi i bramy
    • Elektroniczna kontrola dostępu
    • Samozamykacze drzwiowe
    • Systemy Master Key
    • Platformy wkładek Mul-T-Lock™
    • Przechowywanie i monitorowanie kluczy
    • BIM i specyfikacja
    • Zrównoważony rozwój
    • Rozwiązania bezdotykowe
    • Rozwiązania dla każdej branży
    • Lotnictwo
    • Edukacja
    • Dystrybucja i logistyka
    • Obiekty użyteczności publicznej
    • Finanse i bankowość
    • Administracja państwowa i wojsko
    • Ochrona zdrowia
    • Branża hotelarska
    • Przemysł i produkcja
    • Górnictwo
    • Biura i firmy
    • Mieszkania
    • Handel detaliczny
    • Stocznie
    • Transport
    • Usługi
    • Wsparcie techniczne
    • Dystrybutorzy
    • Przeglądy drzwi i bram przeciwpożarowych
    • Zapewnianie jakości
    • O nas
    • Kontakt