jumpToMainContent
It looks like you are visiting from a different region. Select your country or region for location-specific content.
Go to Ireland
ASSA ABLOY
  • Kariera
  • Do pobrania
  • Abloy Polska
  • Yale Polska
  • Produkty i rozwiązania
  • Usługi
  • O nas
  • Kontakt
  • Katalog produktów

    • Elektroniczna kontrola dostępu
    • Samozamykacze
    • Rozwiązania mechaniczne
    • Mechaniczne systemy klucza
    • Klamki i rozety
    • Dźwignie antypaniczne
    • Ochrona palców
    • Uszczelki opadające
    • Rozwiązania elektromechaniczne
    • Depozytory kluczy
    • Urządzenia HID
    • Skrzynki na listy
    • Drzwi i bramy
  • Rozwiązania według zagadnień

    • Drzwi i bramy
    • Elektroniczna kontrola dostępu
    • Samozamykacze drzwiowe
    • Systemy Master Key
    • Platformy wkładek Mul-T-Lock™
    • Przechowywanie i monitorowanie kluczy
    • BIM i specyfikacja
    • Zrównoważony rozwój
    • Rozwiązania bezdotykowe
  • Rozwiązania dla każdej branży

    • Lotnictwo
    • Edukacja
    • Dystrybucja i logistyka
    • Obiekty użyteczności publicznej
    • Finanse i bankowość
    • Administracja państwowa i wojsko
    • Ochrona zdrowia
    • Branża hotelarska
    • Przemysł i produkcja
    • Górnictwo
    • Biura i firmy
    • Mieszkania
    • Handel detaliczny
    • Stocznie
    • Transport
  • ASSA ABLOY
    • Standardowe zamki technicze
    • Szeroki profil

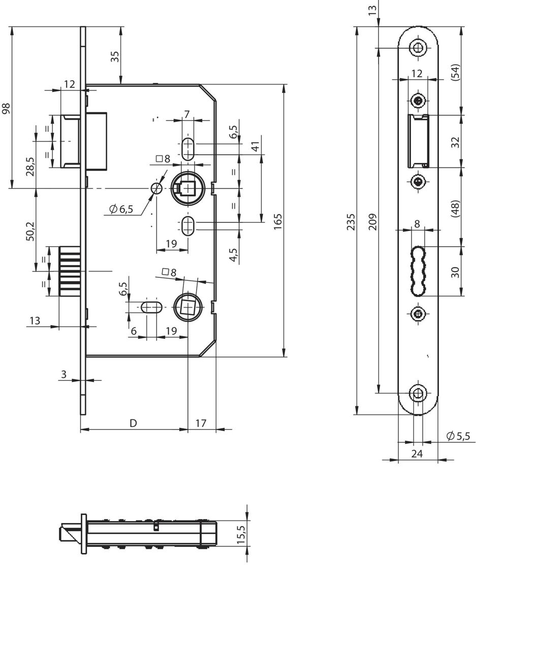
    Zamek łazienkowy N1001

    Opis:

    Zamek łazienkowy OneSystem N1001 do standardowych drzwi jednoskrzydłowych, deklaracja środowiskowa produktu (EPD) zgodnie z normą EN 15804, parametry właściwe dla artykułu.

    Zalety:

    • Deklaracja środowiskowa produktu (EPD) zgodna z normą EN 15804
    • Testowany przez 1 000 000 cykli testowych w drzwiach o masie 300 kg
    • Zgodność z EN 12209
    • Mały tylny dormas 17 mm
    • Trwałe połączenia śrubowe okuć
    • Odpowiednio dobrana zawrotnica wbudowanaw płytkę zaczepową
    • 20 mm wysuw rygla za jednym obrotem
    64ab5-n1001.jpg
    64ab5-n1001.jpg

    1 of 2

    Dormas 55, 60, 65, 80, 100 mm
    Rozstaw 72 mm (przygotowany pod profil Euro),
    74 mm (przygotowany pod wkładkę o profilu szwajcarskim)
    Blacha czołowa Blacha czołowa płaska: R3 x 20 mm, R3 x 24 mm, R3 x 24
    Długość blachy czołowej 185, 235 (w zależności od wersji)
    Materiał blachy czołowej: Stal nierdzewna
    Zapadka DIN L/R (symetryczna blacha czołowa),
    DIN lewy lub DIN prawy (asymetryczna blacha czołowa zgodna z DIN18251-1)
    Wysuw rygla 20 mm, pojedynczy obrót
    Otwór klamkowy 8 mm, 9 mm (do ochrony przeciwpożarowej)
    Normy EN 12209
    • PL_2.1901-221 0G0 00 OneSystem Katalog.indd(PDF, 13 MB)
    • O nas
      • Poradnik
      • Publikacje z obszaru kontroli dostępu
      • Aktualności
      • Nasze realizacje
      • Do pobrania
      • Oświadczenie o posiadaniu statusu Dużego Przedsiębiorcy
      • Procedury zgłaszania informacji o naruszeniach prawa
    • Rozwiązania
      • ASSA ABLOY Security Doors
      • Kontrola dostępu
      • Samozamykacze drzwiowe
      • Systemy Master Key
      • Rozwiązania bezdotykowe
      • BIM i specyfikacja
      • Zrównoważony rozwój
    • Usługi
      • Wsparcie techniczne
      • Kontrola i serwis drzwi przeciwpożarowych
      • Gdzie kupisz?
    • Kontakt
      • LinkedIn
      • Facebook
      • YouTube
      • © ASSA ABLOY
      • Informacje prawne
      • Centrum prywatności
      • Zgłaszanie nieprawidłowości
      ASSA ABLOY
      Experience a safer and more open world
      • Produkty i rozwiązania
      • Katalog produktów
      • Elektroniczna kontrola dostępu
      • Samozamykacze
      • Rozwiązania mechaniczne
      • Mechaniczne systemy klucza
      • Klamki i rozety
      • Dźwignie antypaniczne
      • Ochrona palców
      • Uszczelki opadające
      • Rozwiązania elektromechaniczne
      • Depozytory kluczy
      • Urządzenia HID
      • Skrzynki na listy
      • Drzwi i bramy
      • Rozwiązania według zagadnień
      • Drzwi i bramy
      • Elektroniczna kontrola dostępu
      • Samozamykacze drzwiowe
      • Systemy Master Key
      • Platformy wkładek Mul-T-Lock™
      • Przechowywanie i monitorowanie kluczy
      • BIM i specyfikacja
      • Zrównoważony rozwój
      • Rozwiązania bezdotykowe
      • Rozwiązania dla każdej branży
      • Lotnictwo
      • Edukacja
      • Dystrybucja i logistyka
      • Obiekty użyteczności publicznej
      • Finanse i bankowość
      • Administracja państwowa i wojsko
      • Ochrona zdrowia
      • Branża hotelarska
      • Przemysł i produkcja
      • Górnictwo
      • Biura i firmy
      • Mieszkania
      • Handel detaliczny
      • Stocznie
      • Transport
      • Usługi
      • Wsparcie techniczne
      • Dystrybutorzy
      • Przeglądy drzwi i bram przeciwpożarowych
      • Zapewnianie jakości
      • Sklep internetowy B2B
      • O nas
      • Kontakt