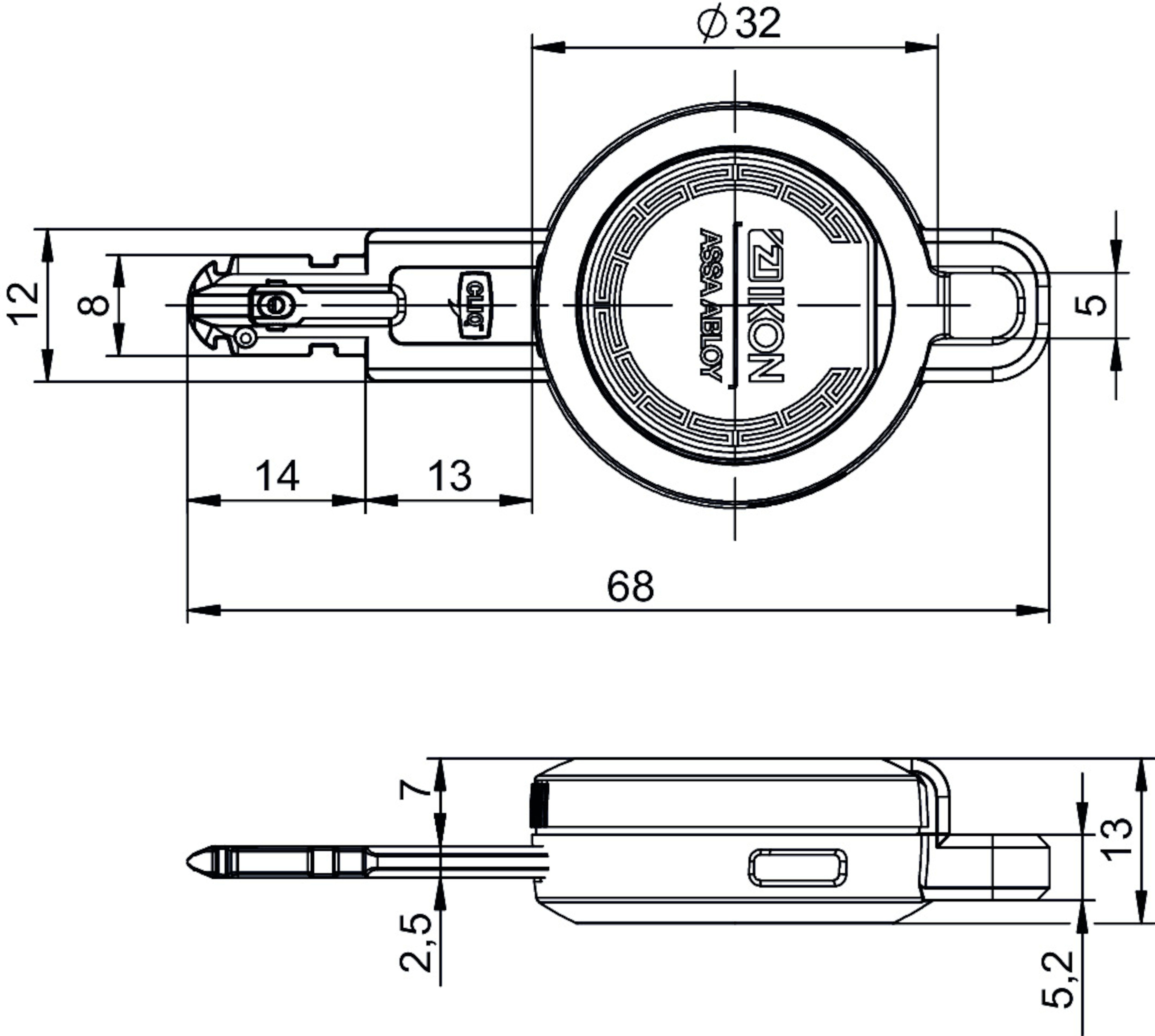
Assa Abloy CliqGO N111 V=E3

„Základní“ elektronický uživatelský klíč

Popis produktu
  • Moderní oboustranný klíčový systém
  • Šifrování mezi elektronickým klíčem a zámkovým systémem
  • Navíc s funkcí časového plánu a pamětí událostí pro posledních 1 000 zámkových akcí
  • Kapacita paměti klíčů 1 500 cylindrických vložek / skupin cylindrických vložek
  • Možnost přímého programování oprávnění bez nutnosti přístupu k cylindrické vložce
  • Šetří programovací postupy
  • Ideální v kombinaci s nástěnnými programovacími zařízeními a mobilním programovacím zařízením
  • LED indikátor funkčnosti a stavu baterie
  • Přenos dat a energie do cylindrické vložky probíhá na bázi kontaktu
  • Přenos dat do cylindrické vložky je vysoce šifrovaný
  • Teplotní rozsah 0 °C až +70 °C
  • Ochrana proti dočasnému ponoření do vody (IP67)
  • Napájení pomocí běžně dostupné lithiové baterie (CR2450)
  • Pro 100 000 uzamčení (životnost přibližně 10 let)
  • Baterii může uživatel snadno vyměnit bez použití nářadí
  • Standardní barva krytu baterie: černá (RD=SW)
Obsah balení
  • 1 Elektronický uživatelský klíč včetně baterie
Poznámka
  • Klíč lze později upravit pomocí barevného krytu baterie (NZ02)

1 of 2