jumpToMainContent
It looks like you are visiting from a different region. Select your country or region for location-specific content.
Go to Ireland
ASSA ABLOY
  • Service
  • Authorized Distributors
  • About ASSA ABLOY
  • Products
  • Solutions
  • Stories
  • Contact us
  • Digital Access Solutions
  • OneSystem Locks
  • Door Closers
  • Panic Exit Devices
  • CY110
  • Door Handles
  • Architectural Glass Solution
  • Fire Rated Glass
  • General Accessories
ASSA ABLOY
  • Products
  • OneSystem Locks

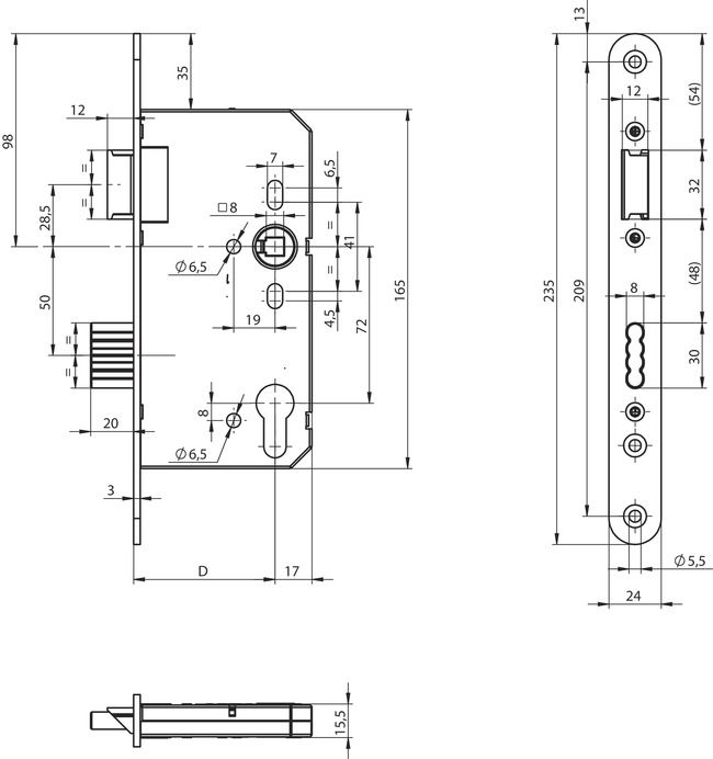
Sash Lock N1000

Product description

  • OneSystem sash lock N1000 according to EN 12209 for single-leaf standard doors, product-specific environmental product declaration (EPD) according to EN 15804 with article-specific parameters / tested for 1,000,000 cycles and 300 kg door weight

Features

  • Environmental product declaration (EPD) in accordance with EN 15804
  • Tested for 1,000,000 cycles and 300 kg door weight
  • Compliance with EN 12209
  • Small rear backset 17 mm
  • Continuous screw connection of fittings
  • Suitable espagnolette integrated in the striking plate
  • 20 mm bolt throw with a single rotation
  • Also available as a fire protection version
  • Closed lock case
  • Latch DIN left/right reversible without tools
  • Security fittings and oval roses can be screwed on through the lock
  • Stainless steel faceplate
  • Deadbolt with anti-tampering design
  • Developed for Euro profile cylinder and Swiss round Profile cylinder
6d71e-n1000.jpg
6d71e-n1000.jpg

1 of 2

Cookie consent

This video is hosted by YouTube. By showing the external content you accept the terms and conditions of www.youtube.com.

*Your choice will be saved in a cookie until you have closed your browser.

  • 57418-product_sheet-n1000(PDF, 323 KB)
  • Products
  • Solutions
  • Stories
  • Contact us
  • Contact us
  • LinkedIn
  • Facebook
  • Instagram
  • YouTube
  • © ASSA ABLOY
  • Legal
  • Privacy center
  • Whistleblowing
ASSA ABLOY
Experience a safer and more open world
  • Products
  • Digital Access Solutions
  • OneSystem Locks
  • Door Closers
  • Panic Exit Devices
  • CY110
  • Door Handles
  • Architectural Glass Solution
  • Fire Rated Glass
  • General Accessories
  • Solutions
  • Solutions by topic
  • Access Control
  • BIM & specification
  • Sustainability
  • Master Key Systems
  • Solutions for every industry
  • Aviation
  • Education
  • Distribution and logistics
  • Entertainment and public facilities
  • Finance and banking
  • Government and military
  • Healthcare
  • Hospitality
  • Industry and manufacturing
  • Mining
  • Office and enterprise
  • Residential
  • Retail
  • Shipyards
  • Transportation
  • Multi-Residential
  • Stories
  • Contact us