jumpToMainContent
It looks like you are visiting from a different region. Select your country or region for location-specific content.
Go to Ireland
ASSA ABLOY
  • Kariera
  • Do pobrania
  • Abloy Polska
  • Yale Polska
  • Produkty i rozwiązania
  • Usługi
  • O nas
  • Kontakt
  • Katalog produktów

    • Elektroniczna kontrola dostępu
    • Samozamykacze
    • Rozwiązania mechaniczne
    • Mechaniczne systemy klucza
    • Klamki i rozety
    • Dźwignie antypaniczne
    • Ochrona palców
    • Uszczelki opadające
    • Rozwiązania elektromechaniczne
    • Depozytory kluczy
    • Urządzenia HID
    • Skrzynki na listy
    • Drzwi i bramy
  • Rozwiązania według zagadnień

    • Drzwi i bramy
    • Elektroniczna kontrola dostępu
    • Samozamykacze drzwiowe
    • Systemy Master Key
    • Platformy wkładek Mul-T-Lock™
    • Przechowywanie i monitorowanie kluczy
    • BIM i specyfikacja
    • Zrównoważony rozwój
    • Rozwiązania bezdotykowe
  • Rozwiązania dla każdej branży

    • Lotnictwo
    • Edukacja
    • Dystrybucja i logistyka
    • Obiekty użyteczności publicznej
    • Finanse i bankowość
    • Administracja państwowa i wojsko
    • Ochrona zdrowia
    • Branża hotelarska
    • Przemysł i produkcja
    • Górnictwo
    • Biura i firmy
    • Mieszkania
    • Handel detaliczny
    • Stocznie
    • Transport
  • ASSA ABLOY
    • Rozwiązania mechaniczne
    • Kłódki

    Kłódka atestowana GRANIT 1 XT (KWG610/KWG611)

    • LOB

    Kłódka wzmocniona GRANIT 1 XT zapewnia wysokie bezpieczeństwo chronionych obiektów. Dlatego też powinna być stosowana do ochrony pomieszczeń, w których zamykamy cenne, drogie towary. Idealnie nadaje się do zamknięcia dużych bram, garaży, furtek i solidnych krat. Posiada stalowy, hartowany pałąk z powłoką niklowo-chromową. Dzięki swojej konstrukcji kłódka jest bardzo trudna do sforsowania zarówno metodami siłowymi (przecięcie, ukręcenie), jak i próbami manipulacyjnymi (wytrychy, bumping).

    Kłódka atestowana LOB GRANIT 1 XT
    Kłódka atestowana LOB GRANIT 1 XT

    1 of 2

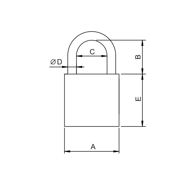
    Kod kłódki Wymiary (mm)
    A B C D E
    GRANIT 1 XT (KWG 610) 66 30 33 12 52
    GRANIT 1 XT (KWG 611) 66 47 33 12 52

     

    Produkt spełniający wymogi normy PN-EN 12320:2013:

    Kategoria użytkowania
    (1)
    Trwałość
    (1)
    Odporność na korozję 
    (0-5)
    Zabezpieczenie
    (1-6)
    1 1 4 4

     

    Podstawowe cechy produktu
    Materiał znal
    Rodzaj zasuwkowa
    Atest Klasa 4
    Karta bezpieczeństwa Tak
    Dostępna kolorystyka Steel
    Ilość kluczy 4
    Zwiększona odporność na warunki atmosferyczne Tak
    Możliwość zastosowania w układzie jednego klucza Tak
    Możliwość zastosowania w systemie Master Key Tak

    • Certyfikat
    • Certyfikat kłódki GRANIT 1 XT(PDF, 426 KB)
    • O nas
      • Poradnik
      • Publikacje z obszaru kontroli dostępu
      • Aktualności
      • Nasze realizacje
      • Do pobrania
      • Oświadczenie o posiadaniu statusu Dużego Przedsiębiorcy
      • Procedury zgłaszania informacji o naruszeniach prawa
    • Rozwiązania
      • ASSA ABLOY Security Doors
      • Kontrola dostępu
      • Samozamykacze drzwiowe
      • Systemy Master Key
      • Rozwiązania bezdotykowe
      • BIM i specyfikacja
      • Zrównoważony rozwój
    • Usługi
      • Wsparcie techniczne
      • Kontrola i serwis drzwi przeciwpożarowych
      • Gdzie kupisz?
    • Kontakt
      • LinkedIn
      • Facebook
      • YouTube
      • © ASSA ABLOY
      • Informacje prawne
      • Centrum prywatności
      • Zgłaszanie nieprawidłowości
      ASSA ABLOY
      Experience a safer and more open world
      • Produkty i rozwiązania
      • Katalog produktów
      • Elektroniczna kontrola dostępu
      • Samozamykacze
      • Rozwiązania mechaniczne
      • Mechaniczne systemy klucza
      • Klamki i rozety
      • Dźwignie antypaniczne
      • Ochrona palców
      • Uszczelki opadające
      • Rozwiązania elektromechaniczne
      • Depozytory kluczy
      • Urządzenia HID
      • Skrzynki na listy
      • Drzwi i bramy
      • Rozwiązania według zagadnień
      • Drzwi i bramy
      • Elektroniczna kontrola dostępu
      • Samozamykacze drzwiowe
      • Systemy Master Key
      • Platformy wkładek Mul-T-Lock™
      • Przechowywanie i monitorowanie kluczy
      • BIM i specyfikacja
      • Zrównoważony rozwój
      • Rozwiązania bezdotykowe
      • Rozwiązania dla każdej branży
      • Lotnictwo
      • Edukacja
      • Dystrybucja i logistyka
      • Obiekty użyteczności publicznej
      • Finanse i bankowość
      • Administracja państwowa i wojsko
      • Ochrona zdrowia
      • Branża hotelarska
      • Przemysł i produkcja
      • Górnictwo
      • Biura i firmy
      • Mieszkania
      • Handel detaliczny
      • Stocznie
      • Transport
      • Usługi
      • Wsparcie techniczne
      • Dystrybutorzy
      • Przeglądy drzwi i bram przeciwpożarowych
      • Zapewnianie jakości
      • Sklep internetowy B2B
      • O nas
      • Kontakt