Profile-double cylinder VERSO®CLIQ V531
Without key
Product description
- Available as mechanical or electromechanical version (V=)
- Brass cylinder housing components
- Standard finish, satin nickel-plated (OF=MV)
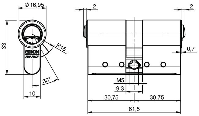
- Basic cylinder length 61 mm (C) - A/B (L=30/30) - other installation lengths available - flexible modular system
- Standard cam position (SST=30°)
- Cam made of break and corrosion-resistant nickel silver profile
- Tumbler elements with special wear-resistant alloy
- Mechanical and electromechanical version can be combined on both cylinder sides
- Dust and rain cover for one or both sides available under (SUR=1/-; -/1; 1/1)
- Optionally available with anti drilling protection class 2 (AB=...) and comfort function for bilateral opening (GE=BS)
- Optional with SST=FZG possible
- Optionally VdS★★★ (SZ=VDS-B+, AB=2)
- Optionally available for use in potentially-explosive atmospheres in Zone 1 (Ex II 2G) ATEX=II 2G Ex ib IIC T4 Gb
- Optional available without audit trail (V2=OHNE AUDIT)
Scope of delivery
- 1 profile-double cylinder
- 1 cylinder fixing screw M5 x 85 mm
1 of 3
VdS
PIV CERT
ATEX
For use in explosion-prone areas
Security Card

.jpg)




