Profile-double cylinder +CLIQ .531+CLIQ
Without key
Overview of Advantages
- Mechanical and electromechanical version can be combined on both cylinder sides
Product description
- For IKON locking systems in the systems TK5, SK5, SK6, TK6, SK7
- Brass cylinder housing components
- Standard finish, satin nickel-plated (OF=MV)
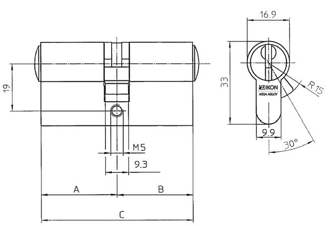
- Basic cylinder length for systems TK5/SK5/SK6 61 mm (C) - A/B (L=30/30), for systems TK6/SK7 71 mm (C) - A/B (L=35/35) - other installation lengths available
- Standard cam position (SST=30°)
- Mechanical and electromechanical version can be combined on both cylinder sides
- Optionally available with comfort function for bilateral opening (GE=BS)
- Optional with SST=FZG possible
- Cam made of break and corrosion-resistant nickel silver profile
- Core pins made of special wear-resistant bronze
- Optionally available for use in potentially-explosive atmospheres in Zone 1 (Ex II 2G) ATEX=II 2G EX IB IIB T4 Gb
Scope of delivery
- 1 profile-double cylinder
- 1 cylinder fixing screw M5 x 85 mm
ATEX
For use in explosion-prone areas
Security Card

