jumpToMainContent
It looks like you are visiting from a different region. Select your country or region for location-specific content.
Go to Ireland
ASSA ABLOY
  • About Us
  • Contact Us
  • Solutions
  • Sustainability
  • Products
    • Panic Exit Device
    • Mortise Locks
    • Door Closers
    • Architectural Hardware
    • Digital Door Locks
    • Cylinders
    • Escape Route Technology
    • Electric Strikes
    • Access Control
  • Solutions by topic
    • Access Control
    • Door Closers
    • BIM & specification
  • Solutions for every industry
    • Aviation
    • Education
    • Distribution and logistics
    • Entertainment and public facilities
    • Finance and banking
    • Government and military
    • Healthcare
    • Hospitality
    • Industry and manufacturing
    • Mining
    • Office and enterprise
    • Residential
    • Retail
    • Shipyards
    • Transportation
ASSA ABLOY
  • Standard project Locks
  • Standard project locks wide stile

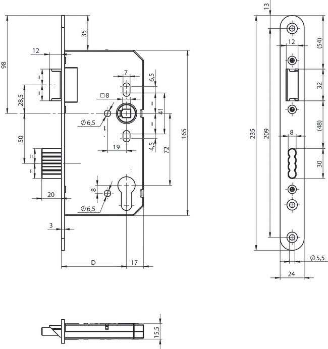
Sash lock for fire doors N1050

Overview of Advantages

  • Environmental product declaration (EPD) in accordance with EN 15804
  • Tested for 1,000,000 cycles and 300 kg door weight
  • Compliance with EN 12209
  • Small rear backset 17 mm
  • Continuous screw connection of fittings
  • Suitable espagnolette integrated in the striking plate
  • 20 mm bolt throw with a single rotation
  • Also available as a fire protection version
  • Closed lock case
  • Latch DIN left/right reversible without tools
  • Stainless steel faceplate
  • Deadbolt with anti-tampering design
  • Developed for Euro profile cylinder and Swiss round Profile cylinder

Product description

  • OneSystem sash lock N1050 according to EN 12209 for single-leaf standard doors/ approved for fire barriers according to EN 1634 / product-specific environmentalproduct declaration (EPD) according to EN 15804 with article-specific parameters /tested for 1,000,000 cycles and 300 kg door weight
66354-n1000_1050.jpg
66354-n1000_1050.jpg

1 of 2

Cookie consent

This video is hosted by YouTube. By showing the external content you accept the terms and conditions of www.youtube.com.

*Your choice will be saved in a cookie until you have closed your browser.

  • Solutions
  • Sustainability
  • Contact us
  • LinkedIn
  • Facebook
  • Instagram
  • YouTube
  • © ASSA ABLOY
  • Cookies
  • Legal
  • Privacy center
  • Whistleblowing
ASSA ABLOY
Experience a safer and more open world
  • Solutions
  • Products
  • Panic Exit Device
  • Mortise Locks
  • Door Closers
  • Architectural Hardware
  • Digital Door Locks
  • Cylinders
  • Escape Route Technology
  • Electric Strikes
  • Access Control
  • Solutions by topic
  • Access Control
  • Door Closers
  • BIM & specification
  • Solutions for every industry
  • Aviation
  • Education
  • Distribution and logistics
  • Entertainment and public facilities
  • Finance and banking
  • Government and military
  • Healthcare
  • Hospitality
  • Industry and manufacturing
  • Mining
  • Office and enterprise
  • Residential
  • Retail
  • Shipyards
  • Transportation
  • Sustainability