מחזיר דלת ריצפתי DC475

  • Cam-Motion

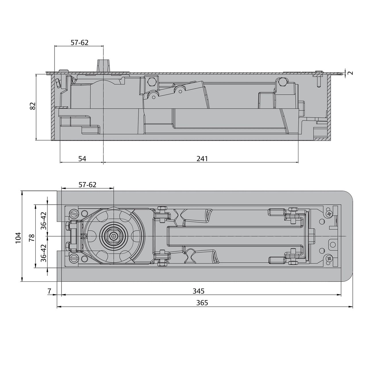
מחזיר דלת ריצפתי בטכנולוגיית ®Cam-Motion תוצרת ASSA ABLOY דגם DC475 לדלת יחידה/כפולה כבדה

מחזיר דלת ריצפתי דגם DC475 עומד בתקן אירופאי EN1154, כוח הפתיחה היורד במהירות של טכנולוגיית ®Cam-Motion מבטיח פתיחת דלתות בפחות מאמץ.

  • ניתן לכיוון והתקנה לפי העומס הרצוי ומשקל הדלת בדרגות עומס 3-6
  • מתאים לדלת יחידה/כפולה אקטיבית בעלת משקל מקסימלי של 300 ק"ג ורוחב מקסימלי של 1400 מ"מ
  • מותאם לדלתות אש ועשן (לא בגרסת Hold Open)
צפו בסרטון התקנה קראו עוד על טכנולוגיית Cam-Motion
DC475 with satin stainless steel cover plate, installed on double action door

DC475 with satin stainless steel cover plate, installed on double action door

DC475 with satin stainless steel cover plate, installed on double action door

1 of 6

Cookie consent

This video is hosted by YouTube. By showing the external content you accept the terms and conditions of www.youtube.com.

*Your choice will be saved in a cookie until you have closed your browser.