Profile-double cylinder eCLIQ N531
Without key
Product description
- Available as rotary secured or electronical version (V=)
- Other side can feature an electronic or rotary-secured design
- Brass cylinder housing components
- Standard finish, satin nickel-plated (OF=MV)
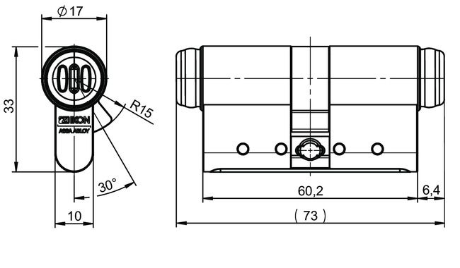
- Basic cylinder length 61 mm (C) - A/B (L=30/30) - other installation lengths available - flexible modular system
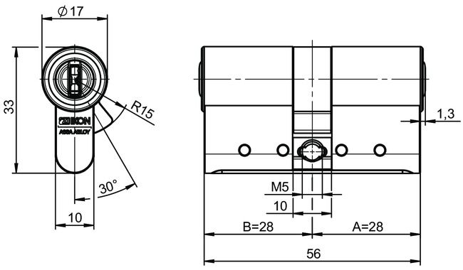
- Optional, differing basic cylinder length of 56 mm (C) - A/B (L=28/28)
- Standard locking cam position (SST=30°); differing locking bit position available, optionally available with SST=FLEX
- Optionally available with double locking cam (VAR=K901310-X-BIFFAR)
- Optional with SST=FZG possible
- Optionally available with anti drilling protection class 2 (AB=2)
- Both side locking (GE=BS) and 360° free-wheeling function as standard
- Cam made of break-proof, corrosion-resistant stainless steel
- Maintenance-free for up to 200,000 cycles
- Splash-proof IP54
- Dust and rain protection cap available for one or both sides (SUR=3/-, -/3, 3/3) IP55
- Optionally VdS★★★ (SZ=VDS-BZ+, AB=3)
- Optionally DIN EN 15684 with anti drilling protection class 2 (SZ=DIN, AB=2)
- Optionally available for use in potentially-explosive atmospheres in Zone 1 (ATEX=II 2G EX IB IIB T4 Gb)
Scope of delivery
- 1 profile-double cylinder
- 1 cylinder fixing screw M5 x 85 mm
1 of 5
VdS
PIV CERT
ATEX
For use in explosion-prone areas
Security Card

