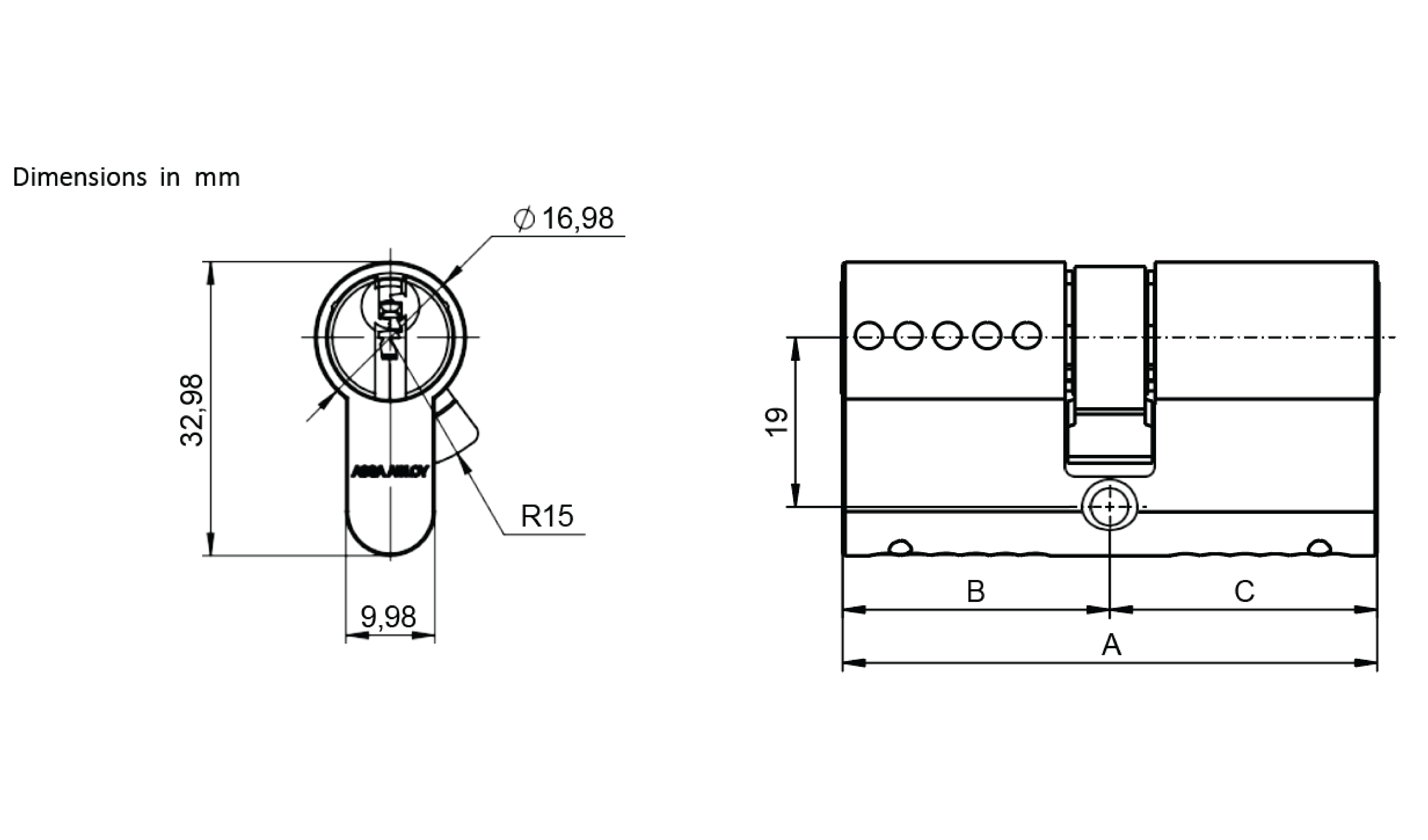
MTL400 Double Euro Cylinder

Durable and secure, the MTL400 Double Euro Cylinder provides the protection you need to lock your building‘s doors – inside or out. Various optional features, such as free wheeling cam and gear wheel cam, make it ideal for a wide range of applications.

Cookie consent

This video is hosted by YouTube. By showing the external content you accept the terms and conditions of www.youtube.com.

*Your choice will be saved in a cookie until you have closed your browser.