jumpToMainContent
It looks like you are visiting from a different region. Select your country or region for location-specific content.
Go to Ireland
ASSA ABLOY
  • Career
  • Solutions
  • Service
  • Stories
  • About ASSA ABLOY in Adria region
  • Career-cro
  • Products
    • Doors
    • Door equipment
    • Curtains
    • Digital Access Solutions
    • Intercoms
  • Solutions by topic
    • Digital Access Solutions
    • Door Closers
    • BIM & specification
    • Metalind doors
    • Intercoms
  • Solutions for every industry
    • Aviation
    • Education
    • Distribution and logistics
    • Entertainment and public facilities
    • Finance and banking
    • Government and military
    • Healthcare
    • Hospitality
    • Industry and manufacturing
    • Office and enterprise
    • Residential
    • Retail
    • Shipyards
    • Transportation
ASSA ABLOY
  • Doors
  • Tunnel doors

SOS niche

  • METALIND

1 of 2

Cookie consent

This video is hosted by YouTube. By showing the external content you accept the terms and conditions of www.youtube.com.

*Your choice will be saved in a cookie until you have closed your browser.

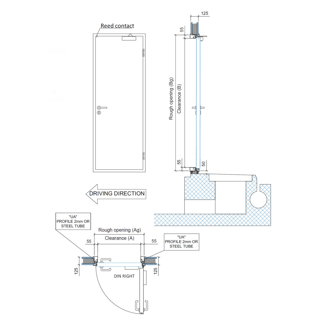
Construction:

  • galvanised steel sheet / inox
  • door leaf: sheet thickness 0,8 mm
  • door jamb: sheet thickness 1,5 mm

 

Type designations:    IND                  EI30                         

Glass pane                   IND/1- S           PV-1/30-S    

Solid                             IND/1               PV-1/30           

 

Type designations:    EI60                 EI90                

Glass pane                    PV-1/60-S         PV-1/90-S   

Solid                             PV-1/60            PV-1/90      

     

Finishing:

  • primer
  • plasticised in RAL colours

Gaskets:

  • in door frame (four-sided) rubber black

Fittings:

  • door lock
  • inox hinges
  • door handle with round rosette
  • cylinder
  • reed contact
  • hydraulic door closer
  • glass pane

Installation: dry installation – door frame and wall joint with finish profile

  • SOS niche(PDF, 127 KB)
  • Solutions
  • Service
  • Stories
  • About ASSA ABLOY in Adria region
  • Career-cro
  • Contact us
  • LinkedIn
  • Facebook
  • Instagram
  • YouTube
  • © ASSA ABLOY
  • Cookies
  • Legal
  • Privacy center
  • Whistleblowing
ASSA ABLOY
Experience a safer and more open world
  • Solutions
  • Products
  • Doors
  • Door equipment
  • Curtains
  • Digital Access Solutions
  • Intercoms
  • Solutions by topic
  • Digital Access Solutions
  • Door Closers
  • BIM & specification
  • Metalind doors
  • Intercoms
  • Solutions for every industry
  • Aviation
  • Education
  • Distribution and logistics
  • Entertainment and public facilities
  • Finance and banking
  • Government and military
  • Healthcare
  • Hospitality
  • Industry and manufacturing
  • Office and enterprise
  • Residential
  • Retail
  • Shipyards
  • Transportation
  • Service
  • Emergency service
  • Service agreements
  • Stories
  • About ASSA ABLOY in Adria region
  • Career-cro