Switch cylinder VERSO®CLIQ V098
Half-switch cylinder - without key
Product description
- Available as mechanical or electromechanical version (V=)
- Brass cylinder housing components
- Standard finish, satin nickel-plated (OF=MV)
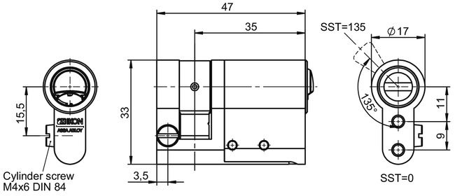
- Steel cam
- Cam radius 17 mm
- Standard cam position (SST=0°)
- Tumbler elements with special wear-resistant alloy
- 2 rearward M4 drill holes
- Fixed total length 47 mm
- Optionally available for use in potentially-explosive atmospheres in Zone 1 (Ex II 2G) ATEX=II 2G Ex ib IIC T4 Gb
- Dust and rain cover for one side available under (SUR=1)
Scope of delivery
- 1 switch cylinder
- 1 ground screw M4
ATEX
For use in explosion-prone areas
Security Card

.jpg)



