Profile-knob cylinder VERSO®CLIQ V534,KNF=9
Knob with handle grip, anodised aluminium, 30 mm diameter - without key
Product description
- Available as mechanical or electromechanical version (V=)
- Brass cylinder housing components
- Standard finish, satin nickel-plated (OF=MV)
- Standard knob colour nickel silver (KNF=9F2)
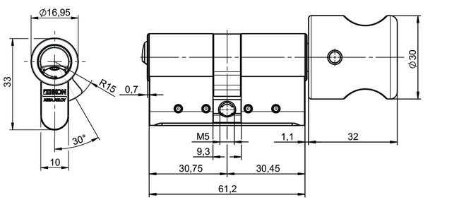
- Basic cylinder length 61 mm (C) - A/B (L=30/30) - other installation lengths available - flexible modular system
- Standard cam position (SST=30°)
- Optionally with magnetic locking cam reset function (VAR=FS)
- Cam made of break and corrosion-resistant nickel silver profile
- Tumbler elements with special wear-resistant alloy
- Dust and rain cover for one side available under (SUR=1)
- Optionally available with anti drilling protection class 2 (AB=2)
- Optionally available for use in potentially-explosive atmospheres in Zone 1 (Ex II 2G) ATEX=II 2G Ex ib IIC T4 Gb
- Optional available without audit trail (V2=OHNE AUDIT)
- Optionally available with anti-killing spree function: With this function the knob is disengaged as the key is entering the cylinder on the other side (VAR=1901509+3+ENTKUPPL.)
Scope of delivery
- 1 profile-knob cylinder
- 1 cylinder fixing screw M5 x 85 mm
Ordering Information
- The knob is always on the inside of the cylinder (B)
PIV CERT
ATEX
For use in explosion-prone areas
Security Card

.jpg)




