Profile-half cylinder CLIQ® Go N532,VAR=R90A009,SERVICE=CLIQGo
Without key
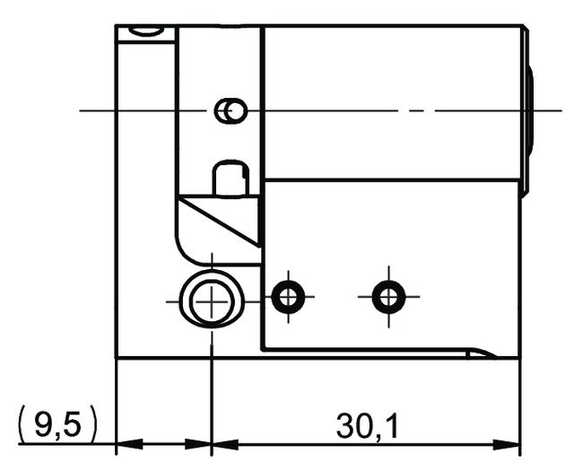
Product description
- Available as rotary secured or electronical version (V=)
- Enables sliding or lever handles to be locked without key (e.g. server racks)
- Brass cylinder housing components
- Standard finish, satin nickel-plated (OF=MV)
- Basic cylinder length 31mm (L=30/-)
- Cam position 45° left (S=L) or 45° right (S=R) blocking please specify when ordering
- Spring-loaded cam, corrosion-resistant brass (satin nickel-plated)
- Optionally available with anti drilling protection class 2 (AB=2)
- Maintenance-free for up to 200,000 cycles
- Dust and rain cover for one side available under (SUR=1)
Scope of delivery
- 1 profile half-cylinder
- 1 cylinder fixing screw M5 x 85 mm
