Assa Abloy CliqGO N531 Nikl

Elektronická obojstranná cylindrická vložka N531 Cliq GO IKON ponúka moderné riešenie pre bezpečnú a flexibilnú kontrolu prístupu. Systém Cliq GO umožňuje jednoduchú správu prístupových práv prostredníctvom mobilnej aplikácie alebo cloudu, takže zmeny je možné vykonávať rýchlo a bez nutnosti výmeny cylindrického zámku. Cylindrický zámok je určený na použitie v kancelárskych budovách, malých a stredných podnikoch a u živnostníkov, ktorí potrebujú spoľahlivé a transparentné zabezpečenie. Jeho robustná konštrukcia a certifikácia RC3 zaručujú vysokú odolnosť proti vlámaniu. Zámka je bezúdržbová a predstavuje spoľahlivé riešenie pre dlhodobú prevádzku. Vďaka prestupovej spojke je možné otvoriť dvere aj v prípade, že kľúč zostal na druhej strane.

Bez kľúča
Popis produktu
  • Elektronická alebo mechanická verzia s ochranou proti pootočeniu (V=)
  • Mosadzné komponenty púzdra vložky
  • Štandardná povrchová úprava, poniklovaný satén (OF=MV)
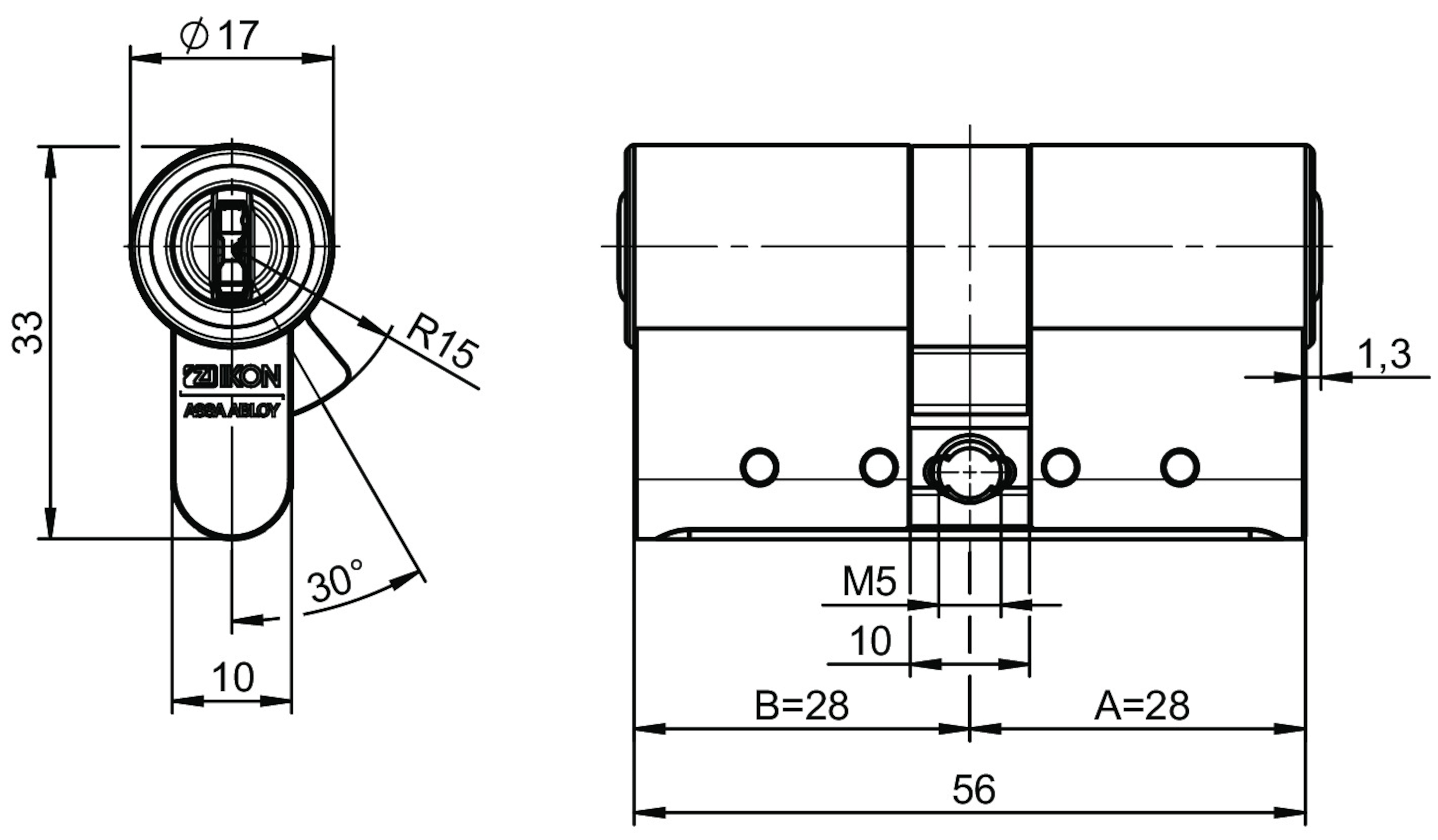
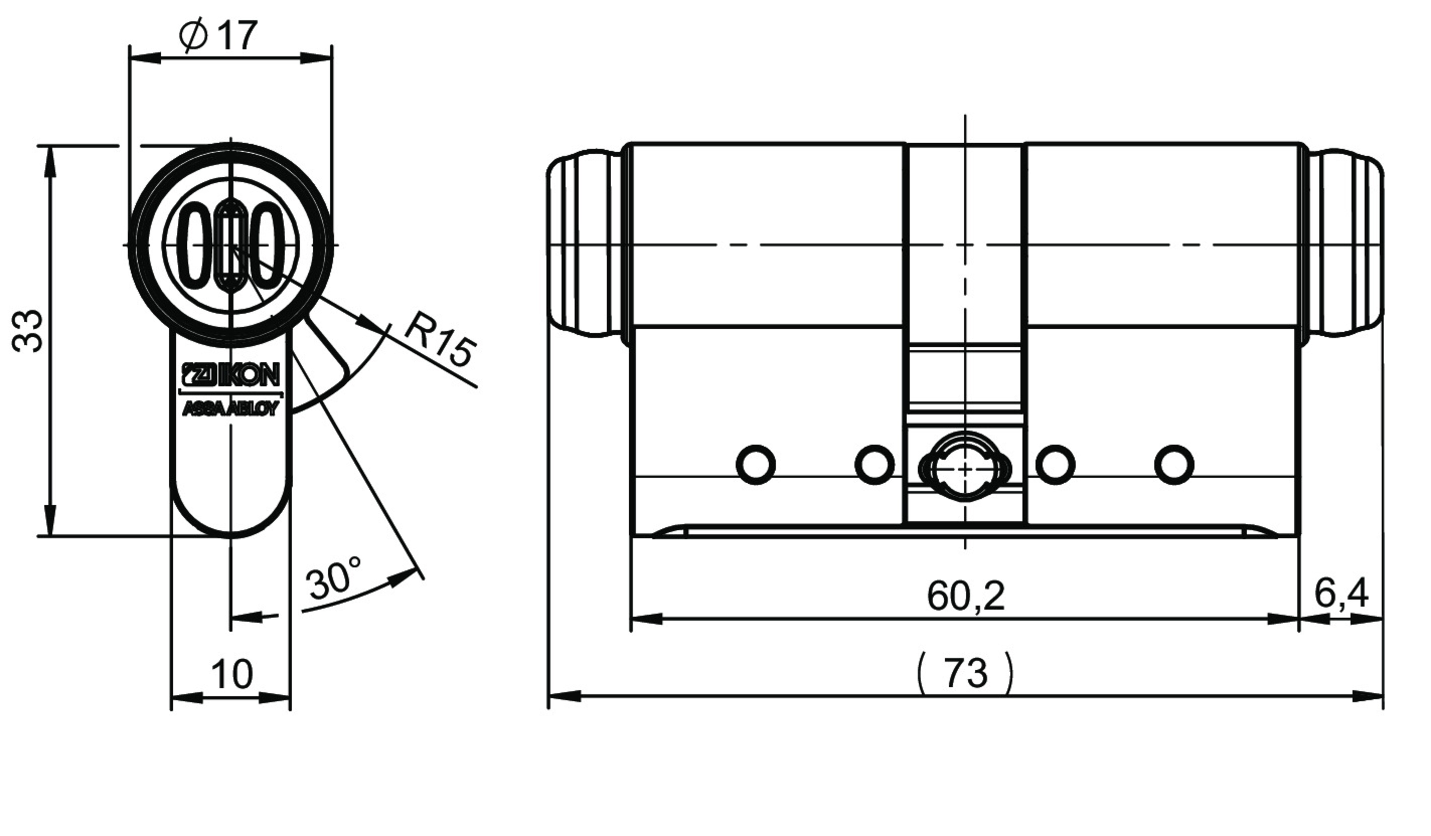
  • Základná dĺžka cylindrickej vložky 61 mm (C) - A/B (L=30/30) - k dispozícii sú aj iné montážne dĺžky – flexibilný modulárny systém
  • Palec z nerozbitnej, korózii odolnej nehrdzavejúcej ocele
  • Bezúdržbová prevádzka až do 200 000 cyklov
  • Ochrana proti striekajúcej vode IP54
  • Štandardná poloha palca (SST=30°)
  • Obojstranné zamykanie (GE=BS) a funkcia voľného otáčania o 360° ako štandard
  • Splňuje požiadavky triedy RC3 podľa ČSN EN 1627:2022 a CP NBÚ
Voliteľné
  • K dispozícii sú rôzne polohy uzamykacieho palca, voliteľne s SST=FLEX
  • Voliteľne odlišná dĺžka cylindrickej vložky 56 mm (C) - A/B (L=28/28)
  • Voliteľne s dvojitým uzamykacím palcom (VAR=K901310-X-BIFFAR)
  • Voliteľne s SST=FZG (pozri informácie o funkcii FZG v návode na obsluhu)
  • Voliteľne k dispozícii s ochranou proti odvŕtaniu triedy 2 (AB=2)
  • Kryt proti prachu a dažďu k dispozícii pre jednu alebo obe strany (SUR=3/-, -/3, 3/3) IP55
  • Voliteľne DIN EN 15684 s ochranou proti odvŕtaniu triedy 2 (SZ=DIN-D, AB=2)
Obsah balenia
  • 1 Cylindrická vložka
  • 1 Upevňovacia skrutka M5 x 85 mm

Cookie consent

This video is hosted by YouTube. By showing the external content you accept the terms and conditions of www.youtube.com.

*Your choice will be saved in a cookie until you have closed your browser.