Assa Abloy CliqGO N184 Nikl

Elektronický vačkový zámok N186 Cliq GO IKON ponúka moderné a flexibilné riešenie pre bezpečnú kontrolu prístupu. Systém Cliq GO umožňuje jednoduchú správu prístupových práv prostredníctvom mobilnej aplikácie alebo cloudu, takže zmeny je možné vykonávať rýchlo a bez nutnosti výmeny zámku. Vačkový mechanizmus je ideálny na použitie v nábytku, skrinkách, technických miestnostiach alebo iných uzamykateľných priestoroch, kde je potrebné efektívne a spoľahlivé uzamknutie. Zámka je bezúdržbová a navrhnutá pre dlhodobú prevádzku.

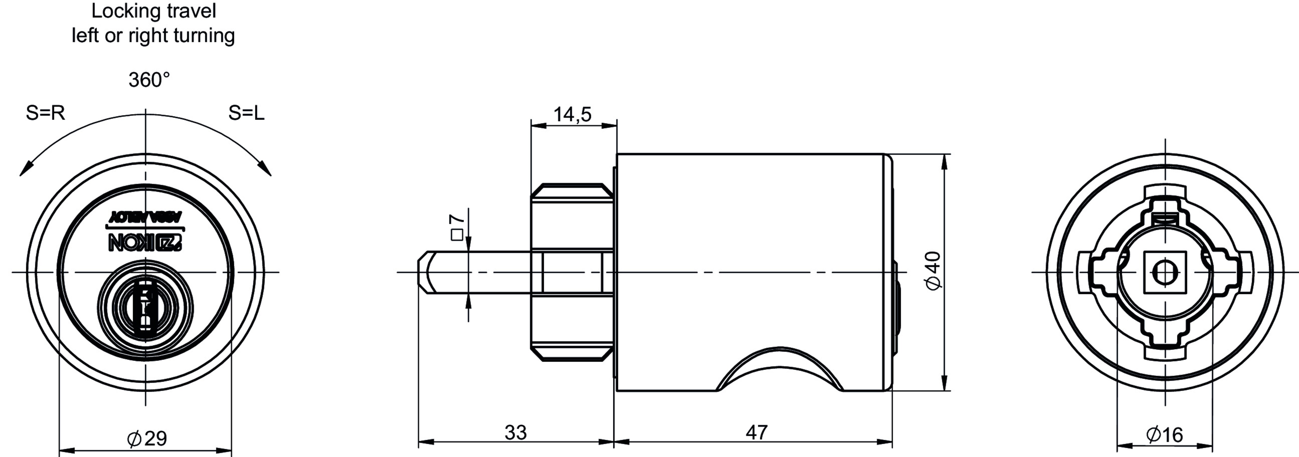
Priemer 40 mm – bez kľúča
Popis produktu
  • Elektronická alebo mechanická verzia s ochranou proti otáčaniu (V=)
  • Komponenty valca z mosadze
  • Štandardná povrchová úprava, niklovaná saténová (OF=MV)
  • Polyamidový alebo kovové púzdro
  • Štandardná farba púzdra svetlo šedá (FB=LGR)
  • So špeciálnou rozetou pre jednoduché upevnenie v kombinácii s nábytkovým zámkom IKON 8657 a puzdrom 8068
  • S 7 mm štvorhranom
  • Upevnenie pomocou skrutky Parker
  • Bezúdržbový až do 200 000 cyklov
Voliteľné
  • Ďalšie povrchové úpravy púzdra voliteľne dostupné: biela (FB=WS), poniklovaný satén (FB=MV)
  • K dispozícii kryt proti prachu a dažďu (SUR=1) IP55
Obsah balenia
  • 1 Nábytkový zámok

1 of 4

Cookie consent

This video is hosted by YouTube. By showing the external content you accept the terms and conditions of www.youtube.com.

*Your choice will be saved in a cookie until you have closed your browser.