Assa Abloy CliqGO N482 Nikl

Elektronická jednostranná cylindrická vložka N482 Cliq GO Swiss ponúka moderné riešenie pre bezpečnú a flexibilnú kontrolu prístupu. Systém Cliq GO umožňuje jednoduchú správu prístupových práv prostredníctvom mobilnej aplikácie alebo cloudu, takže zmeny je možné vykonávať rýchlo a bez nutnosti výmeny zámku. Vložka je špeciálne navrhnutá pre švajčiarske dverové profily a je určená pre švajčiarsky trh. Je vhodná pre kancelárske budovy, malé a stredné podniky a živnostníkov, ktorí vyžadujú spoľahlivé a transparentné zabezpečenie. Jej robustná konštrukcia zaručuje vysokú odolnosť proti vlámaniu. Vložka je bezúdržbová a navrhnutá pre dlhodobú prevádzku.

Bez kľúča
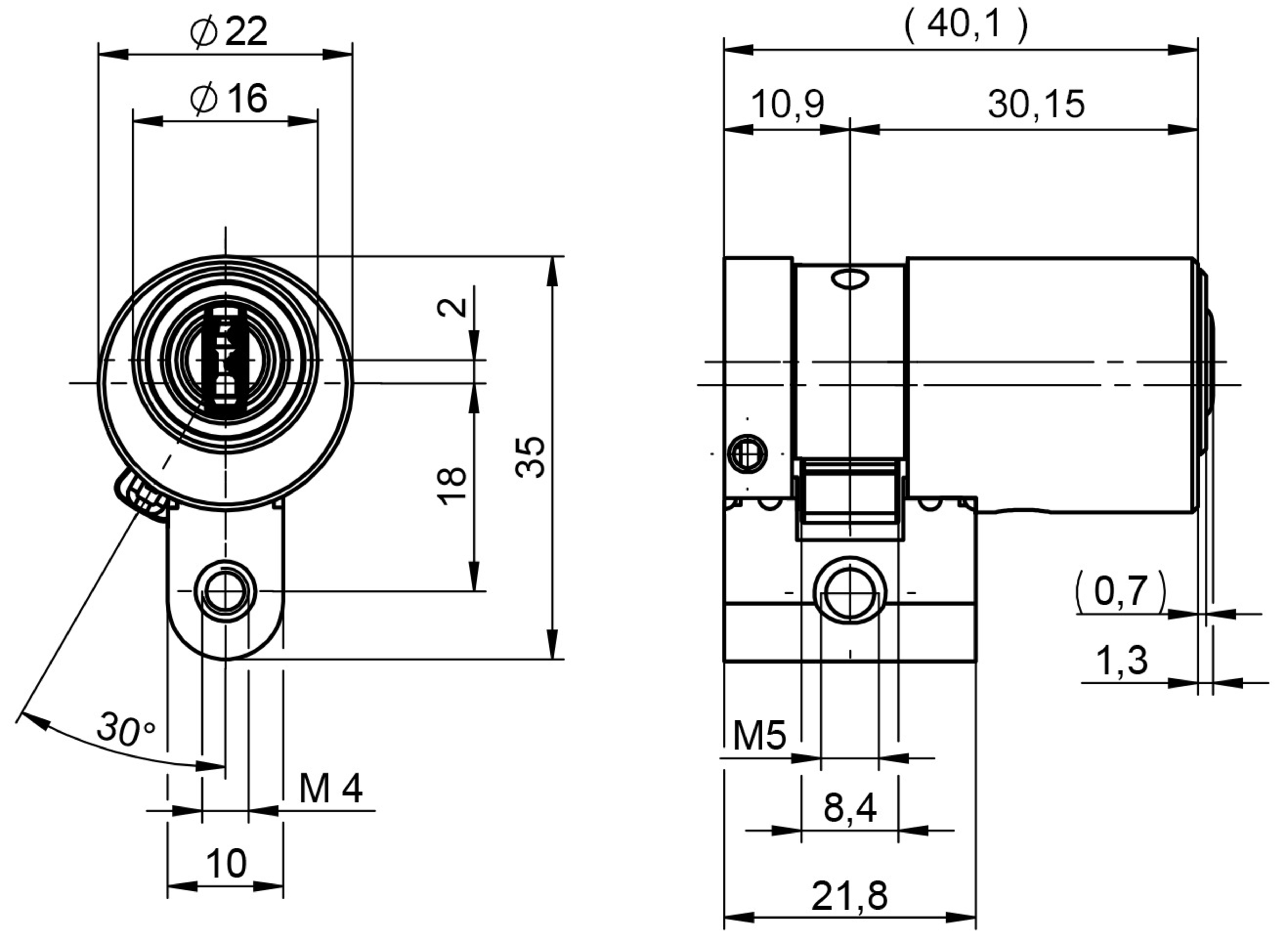
Popis produktu
  • Elektronická alebo mechanická verzia s ochranou proti otáčaniu (V=)
  • Napájanie výhradne kľúčom ( vložka neobsahuje batériu)
  • Mosadzné komponenty púzdra vložky
  • Štandardná povrchová úprava, poniklovaný satén (OF=MV)
  • Základná dĺžka valca 30 mm (A) (L=30) – k dispozícii sú aj iné inštalačné dĺžky – flexibilný modulárny systém
  • Štandardná poloha uzamykacieho palca (SST=8x45)
  • Palec vyrobený z nerozbitnej, korózii odolnej nehrdzavejúcej ocele
  • Bezúdržbový až do 200 000 cyklov
  • Ochrana proti striekajúcej vode IP54
  • Štandardne s pevným pripojením VAR=STARR a voľne nastaviteľným palcom SST=FLEX.
  • Funkcia voľného chodu len bez VAR=STARR.
Voliteľné
  • Voliteľne k dispozícii pre použitie v potenciálne výbušných atmosférach v zóne 1 (ATEX=II 2G Ex ib IIC T4 Gb)
  • K dispozícii kryt proti prachu a dažďu (SUR=1) IP55
  • Voliteľne s SST=FZG (pozri informácie o funkcii FZG v návode na obsluhu)
  • Voliteľne k dispozícii s ochranou proti odvŕtaniu triedy 2 (AB=2)
  • K dispozícii iná poloha uzamykacieho palca (SST=12x30)
Obsah balenia
  • 1 Jednostranná cylindrická vložka, CH profil
  • 1 Upevňovacia skrutka M5 x 85 mm
Objednávacie údaje
  • Funkcia voľného chodu len bez VAR=STARR

Cookie consent

This video is hosted by YouTube. By showing the external content you accept the terms and conditions of www.youtube.com.

*Your choice will be saved in a cookie until you have closed your browser.