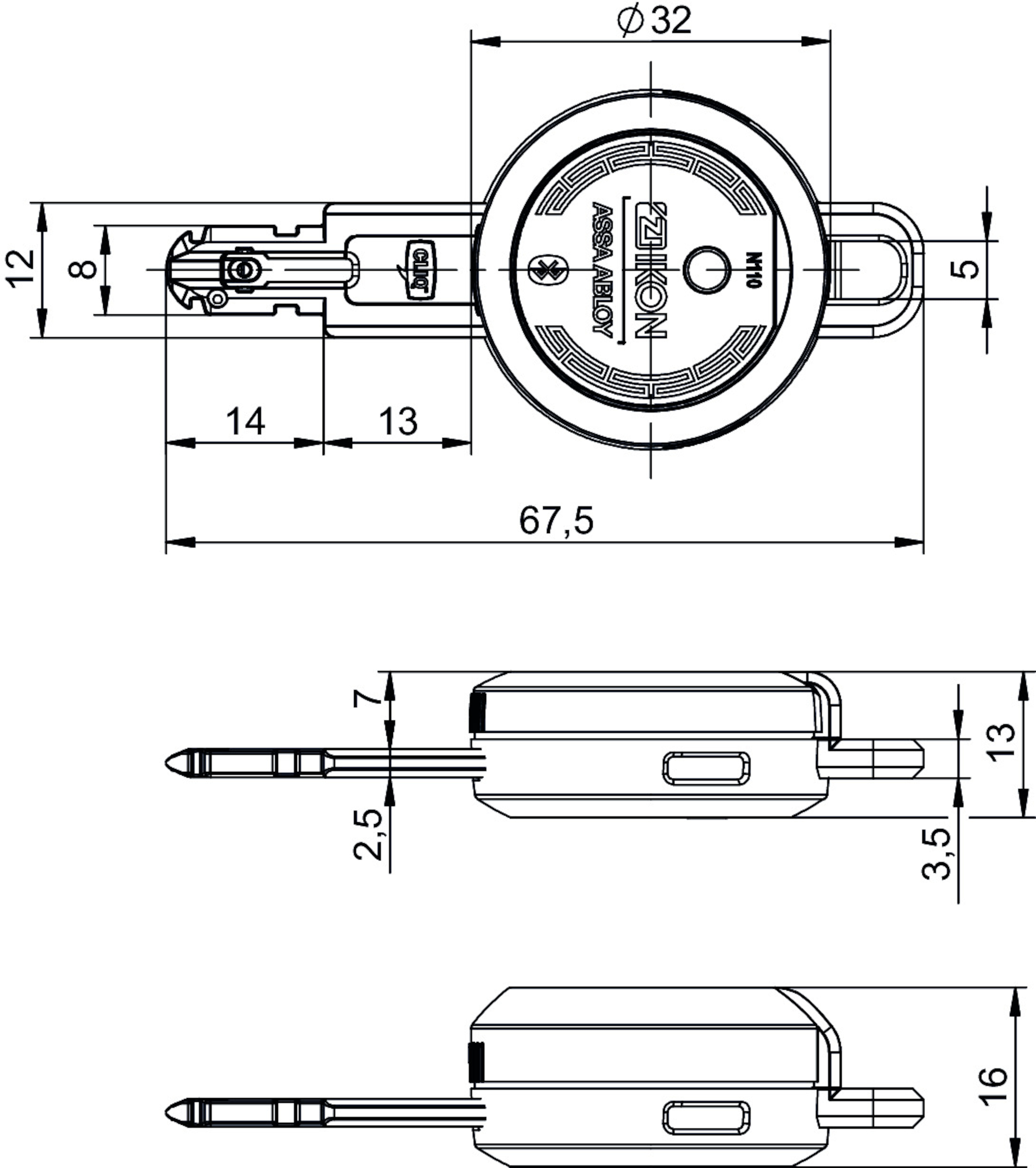
Assa Abloy CliqGO N110 V=E3

„Connect Remote“ Elektronický užívateľský kľúč

Popis produktu
  • Moderný obojstranný kľúčový systém
  • Šifrovanie medzi elektronickým kľúčom a zámkovým systémom
  • LED indikátor a zvuková signalizácia funkčnosti a stavu batérie
  • Prenos dát a energie do cylindrickej vložky prebieha na báze kontaktu
  • Prenos dát do cylindrickej vložky je vysoko šifrovaný
  • Komunikuje so smartfónom alebo tabletom prostredníctvom Bluetooth® (BLE)
  • Prijíma zmeny oprávnení a časových nastavení prostredníctvom aplikácie CLIQ® Connect
  • Teplotný rozsah 0 °C až +70 °C
  • Chránené proti dočasnému ponoreniu do vody (IP67)
  • Napájanie bežne dostupnou lítiovou batériou (CR2450)
  • Približne 20 000 uzamknutí pomocou 2 000 pripojení Bluetooth® (približná životnosť 2 roky)
  • Batériu môže používateľ ľahko vymeniť bez použitia náradia
  • Navyše s funkciou časového plánu
  • Kapacita pamäte kľúčov 1 500 cylindrických vložiek
  • Možnosť priameho programovania oprávnení bez nutnosti priblíženia cylindrických vložiek
  • Šetrí programovacie postupy
  • Štandardná farba krytu batérie: čierna (RD=SW)
Voliteľné
  • Ďalšie farby krytu batérie: modrá (RD=BL), žltá (RD=GE), zelená (RD=GN), sivá (RD=GR), červená (RD=RT) a oranžová (RD=OR)
  • Voliteľne k dispozícii s čipom RFID (AUS=LEGIC PRIME, AUS=LEGIC ADVANT, AUS=MIFARE Classic®, AUS=MIFARE® DESFire® EV1, AUS=MIFARE® DESFire® EV3, AUS=EM4102, AUS=HITAG 1 alebo AUS=HITAG 2) integrovaným v kryte batérie
Obsah balenia
  • 1 „Connect Remote“ Elektronický užívateľský kľúč
Poznámka
  • Kľúč je možné pri objednávke alebo neskôr prispôsobiť pomocou farebného krytu batérie alebo krytu s čipom RFID (NZ02)

1 of 2