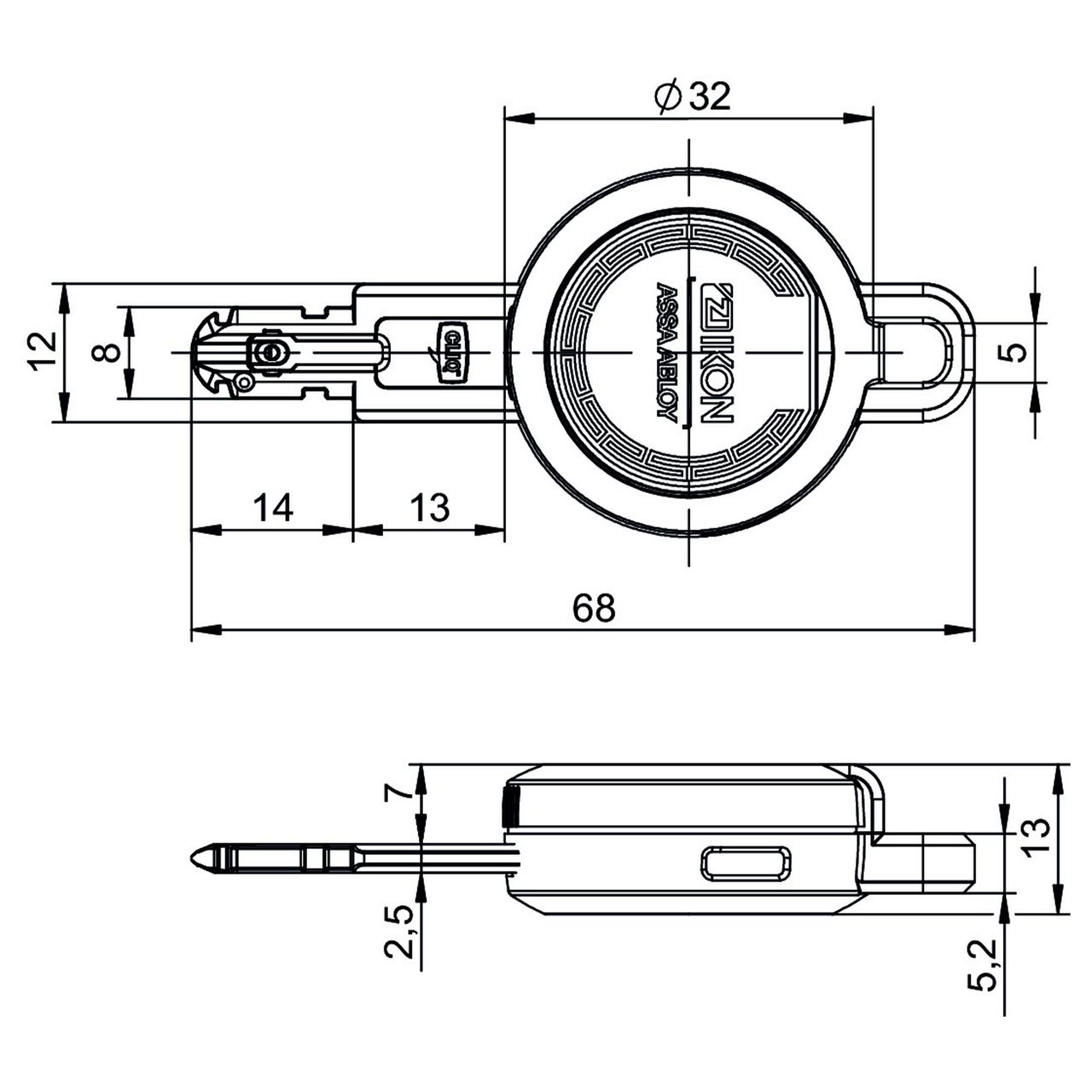
Key eCLIQ N111,V=E1

Opis izdelka

  • Sodoben reverzibilni sistem ključev
  • Elektronski ključ - edinstven in šifriran sistem zaklepanja
  • Brez časovne funkcije
  • Optični prikaz delovanja in stanja baterije
  • Prenos podatkov in moči do cilindra poteka kontaktno
  • Prenos podatkov v valj je visoko šifriran
  • Temperaturno območje od 0°C do +70°C
  • Zaščiten pred začasno potopitvijo v vodo (IP67)
  • Napajanje preko komercialno dostopne litijeve baterije (CR2450)
  • Za 100.000 operacij zaklepanja (življenjska doba približno 10 let)
  • Baterijo lahko uporabnik enostavno zamenja brez orodja
  • Standardna barva pokrova baterije: črna (RD=SW)

Obseg dobave

  • 1 elektronski uporabniški ključ, vključno z baterijo
  • Ključ lahko kasneje prilagodite z barvnim pokrovom baterije (NZ02)

Opomba

  • Ključ lahko kasneje prilagodite z barvnim pokrovom baterije (NZ02)

Cookie consent

This video is hosted by YouTube. By showing the external content you accept the terms and conditions of www.youtube.com.

*Your choice will be saved in a cookie until you have closed your browser.