jumpToMainContent
It looks like you are visiting from a different region. Select your country or region for location-specific content.
Go to Ireland
ASSA ABLOY
  • Kariera
  • Do pobrania
  • Abloy Polska
  • Yale Polska
  • Produkty i rozwiązania
  • Usługi
  • O nas
  • Kontakt
  • Katalog produktów

    • Elektroniczna kontrola dostępu
    • Samozamykacze
    • Rozwiązania mechaniczne
    • Mechaniczne systemy klucza
    • Klamki i rozety
    • Dźwignie antypaniczne
    • Ochrona palców
    • Uszczelki opadające
    • Rozwiązania elektromechaniczne
    • Depozytory kluczy
    • Urządzenia HID
    • Skrzynki na listy
    • Drzwi i bramy
  • Rozwiązania według zagadnień

    • Drzwi i bramy
    • Elektroniczna kontrola dostępu
    • Samozamykacze drzwiowe
    • Systemy Master Key
    • Platformy wkładek Mul-T-Lock™
    • Przechowywanie i monitorowanie kluczy
    • BIM i specyfikacja
    • Zrównoważony rozwój
    • Rozwiązania bezdotykowe
  • Rozwiązania dla każdej branży

    • Lotnictwo
    • Edukacja
    • Dystrybucja i logistyka
    • Obiekty użyteczności publicznej
    • Finanse i bankowość
    • Administracja państwowa i wojsko
    • Ochrona zdrowia
    • Branża hotelarska
    • Przemysł i produkcja
    • Górnictwo
    • Biura i firmy
    • Mieszkania
    • Handel detaliczny
    • Stocznie
    • Transport
  • ASSA ABLOY
    • Rozwiązania mechaniczne
    • Zamki meblowe i kasetowe

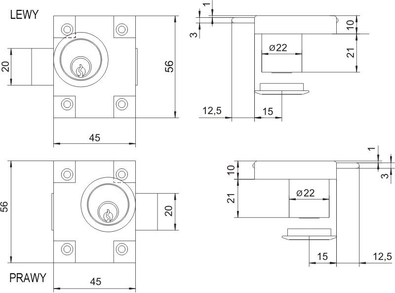
    Zamek meblowy ZMB2

    Zamek meblowy wierzchni, bębenkowy, zasuwkowy ZMB2 jest przeznaczony do zamykania drzwi, szafek i szuflad meblowych, w których jest możliwe wywiercenie otworu na wkładkę bębenkową 23 mm w odległości 30 mm od krawędzi drzwi czy szuflady.

    Zamek ZMB2 jest zamkiem z niesymetrycznie położonym bębenkiem. Dlatego bardzo ważne jest, aby przy jego zakupie określić wymaganą stronność. Konstrukcja tego zamka oparta jest na symetrycznym zamku ZMB1, posiada więc te same gabaryty skrzynki zamka.

    Możliwe jest wykonanie zamków meblowych na jeden klucz. Na przykład jednym kluczem można otworzyć wszystkie drzwi i szuflady w zestawie meblowym.

     

     

     

    Zamek meblowy ZMB2
    Zamek meblowy ZMB2

    1 of 2

    Podstawowe cechy produktu
    Dostępna kolorystyka nikiel
    Ilość kluczy 3
    Możliwość zastosowania w układzie jednego klucza Tak
    Możliwość zastosowania w systemie Master Key Nie

    • O nas
      • Poradnik
      • Publikacje z obszaru kontroli dostępu
      • Aktualności
      • Nasze realizacje
      • Do pobrania
      • Oświadczenie o posiadaniu statusu Dużego Przedsiębiorcy
      • Procedury zgłaszania informacji o naruszeniach prawa
    • Rozwiązania
      • ASSA ABLOY Security Doors
      • Kontrola dostępu
      • Samozamykacze drzwiowe
      • Systemy Master Key
      • Rozwiązania bezdotykowe
      • BIM i specyfikacja
      • Zrównoważony rozwój
    • Usługi
      • Wsparcie techniczne
      • Kontrola i serwis drzwi przeciwpożarowych
      • Gdzie kupisz?
    • Kontakt
      • LinkedIn
      • Facebook
      • YouTube
      • © ASSA ABLOY
      • Informacje prawne
      • Centrum prywatności
      • Zgłaszanie nieprawidłowości
      ASSA ABLOY
      Experience a safer and more open world
      • Produkty i rozwiązania
      • Katalog produktów
      • Elektroniczna kontrola dostępu
      • Samozamykacze
      • Rozwiązania mechaniczne
      • Mechaniczne systemy klucza
      • Klamki i rozety
      • Dźwignie antypaniczne
      • Ochrona palców
      • Uszczelki opadające
      • Rozwiązania elektromechaniczne
      • Depozytory kluczy
      • Urządzenia HID
      • Skrzynki na listy
      • Drzwi i bramy
      • Rozwiązania według zagadnień
      • Drzwi i bramy
      • Elektroniczna kontrola dostępu
      • Samozamykacze drzwiowe
      • Systemy Master Key
      • Platformy wkładek Mul-T-Lock™
      • Przechowywanie i monitorowanie kluczy
      • BIM i specyfikacja
      • Zrównoważony rozwój
      • Rozwiązania bezdotykowe
      • Rozwiązania dla każdej branży
      • Lotnictwo
      • Edukacja
      • Dystrybucja i logistyka
      • Obiekty użyteczności publicznej
      • Finanse i bankowość
      • Administracja państwowa i wojsko
      • Ochrona zdrowia
      • Branża hotelarska
      • Przemysł i produkcja
      • Górnictwo
      • Biura i firmy
      • Mieszkania
      • Handel detaliczny
      • Stocznie
      • Transport
      • Usługi
      • Wsparcie techniczne
      • Dystrybutorzy
      • Przeglądy drzwi i bram przeciwpożarowych
      • Zapewnianie jakości
      • Sklep internetowy B2B
      • O nas
      • Kontakt