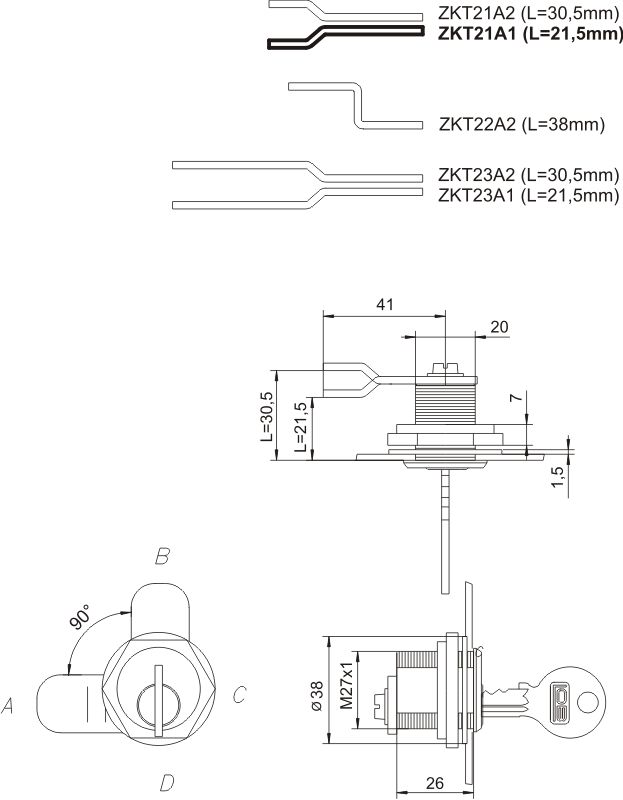
Zamek kasetowy ZKT2

Zamek kasetowy ZKT2
Zamek kasetowy ZKT2

Cookie consent

This video is hosted by YouTube. By showing the external content you accept the terms and conditions of www.youtube.com.

*Your choice will be saved in a cookie until you have closed your browser.