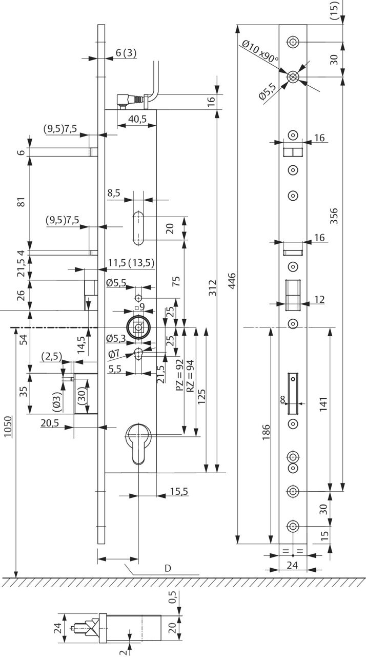
Sterowany klamką zamek patentowy 809NE

Opis:

809N to samoczynnie uruchamiający się zamek antypaniczny ze sprzężoną elektromechanicznie klamką zewnętrzną do drzwi jednoskrzydłowych. Spełnia wymogi dla drzwi antywłamaniowych, drzwi przeciwpożarowych i awaryjnych drzwi wyjściowych zgodnie z EN 179 i EN 1125. Mechaniczny system kontroli sekwencji skutecznie zapobiega niepożądanemu wysuwaniu się zasuwy, kiedy drzwi są otwarte. Zamek można stosować uniwersalnie do drzwi lewych i prawych dzięki uniwersalnej zapadce podwójnego działania, przestawnej zapadce sterującej i stronie antypanicznej. Zamek można przełączyć w tryb działania pozwalający lub niepozwalający na otwarcie w stanie bezprądowym.

Zalety:

  • Wbudowana funkcja sprzężenia motorycznego dosterowania klamką zewnętrzną
  • Wbudowane elektroniczne urządzenie sterujące do uruchamiania zewnętrznego bez dodatkowego sterowania, dodatkowe funkcje za pośrednictwem zewnętrznego modułu OneSystem IO dostępnego jako alternatywa
  • Technologia szynowa Hi-O do połączenia z mechanizmem szynowym ASSA ABLOY Hi-O
  • Wbudowane funkcje monitorowania za pośrednictwem bezstykowych czujników do analizy stanu przez zewnętrzny moduł OneSystem IO:
    · Stan drzwi poprzez styk płytki zaczepowej
    · Pozycja rygla wsunięta i wysunięta
    · Monitorowanie bębenka
    · Monitorowanie otworu klamkowego wewnątrzi na zewnątrz
    · Sprzężenie klamki wł lub wył
5efcd-509n_809n.jpg
5efcd-509n_809n.jpg

Cookie consent

This video is hosted by YouTube. By showing the external content you accept the terms and conditions of www.youtube.com.

*Your choice will be saved in a cookie until you have closed your browser.