Zamek ryglowy N1503

Opis:

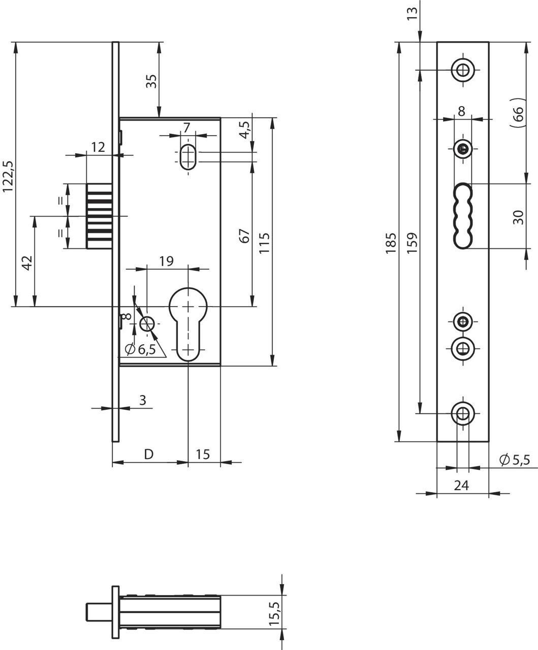
Zamek ryglowy OneSystem N1503 do drzwi jednoskrzydłowych, deklaracja środowiskowadla produktu (EPD) zgodnie z normą EN 15804, parametry właściwe dla artykułu.

Zalety:

  • Deklaracja środowiskowa produktu (EPD) zgodna z normą EN 15804
  • Testowany przez 1 000 000 cykli testowych w drzwiach o masie 300 kg
  • Zgodność z EN 12209
  • Mały tylny dormas 15 mm
  • Trwałe połączenia śrubowe okuć
  • Odpowiednio dobrana zawrotnica wbudowanaw płytkę zaczepową
  • Wysuw rygla o 20 mm za jednym obrotem
  • Dostępne także w wersji przeciwpożarowej
45548-n1503.jpg
45548-n1503.jpg

1 of 2

Cookie consent

This video is hosted by YouTube. By showing the external content you accept the terms and conditions of www.youtube.com.

*Your choice will be saved in a cookie until you have closed your browser.