Standardowy zamek antypaniczny N16XX

Opis:

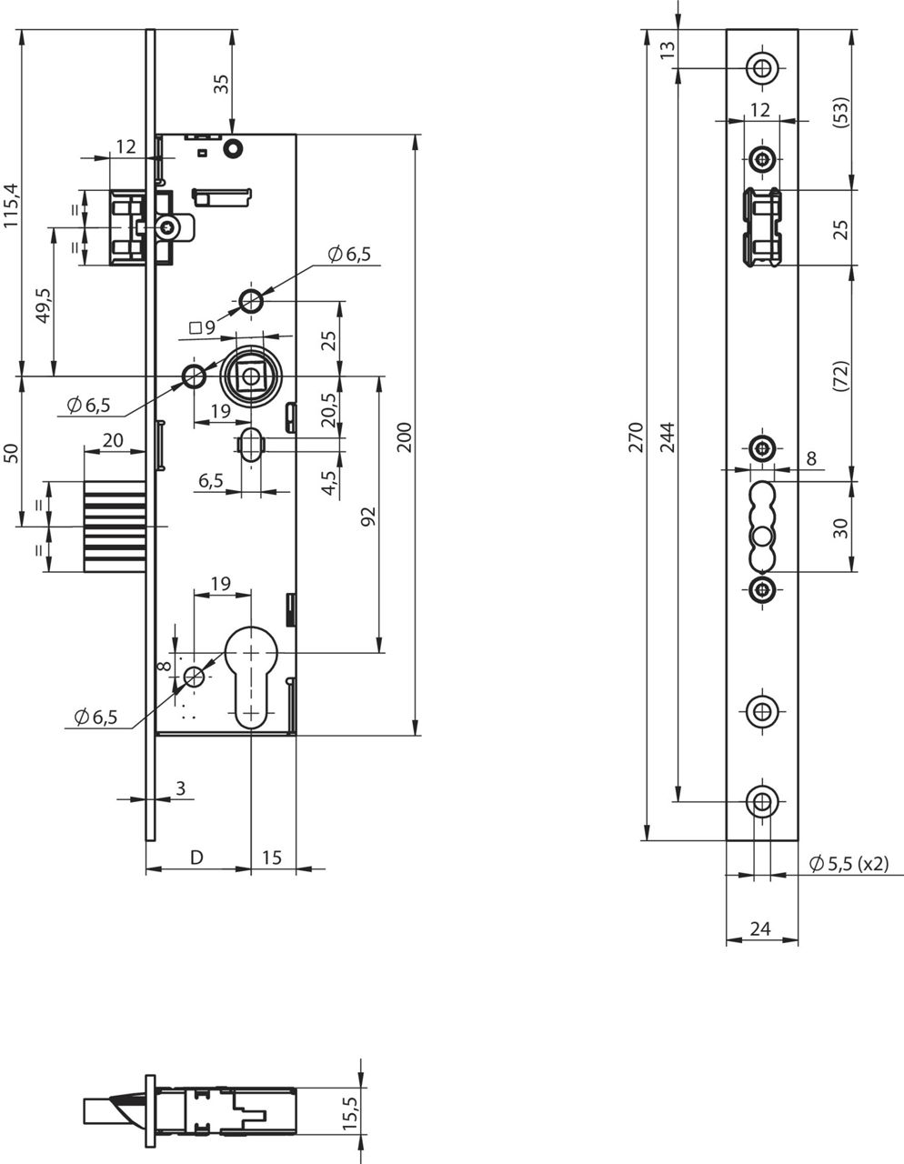
Zamek antypaniczny OneSystem N16XX zgodny z normami EN 179 i EN 1125 do drzwi wąskoprofilowych. Atestowany do barier przeciwpożarowych zgodnie z normą EN 1634, deklaracja środowiskowa produktu (EPD) zgodnie z normą EN 15804, parametry właściwe dla artykułu / testowany przez 1 000 000 cykli w drzwiach o masie 300 kg

Zalety:

  • Deklaracja środowiskowa produktu (EPD) zgodnaz normą EN 15804
  • Testowany przez 1 000 000 cykli testowych w drzwiach o masie 300 kg
  • Zgodność z EN 179/EN 1125, EN 12209
  • Mały tylny dormas 15 mm
  • Możliwość przekładania funkcji antypanicznej dowewnątrz/na zewnątrz
  • Opcjonalnie: System szynowy z wbudowanymi czujnikami i uproszczonym połączeniem za pośrednictwem kabla 5-żyłowego
90d16-n16xx.jpg
90d16-n16xx.jpg

1 of 2

Cookie consent

This video is hosted by YouTube. By showing the external content you accept the terms and conditions of www.youtube.com.

*Your choice will be saved in a cookie until you have closed your browser.