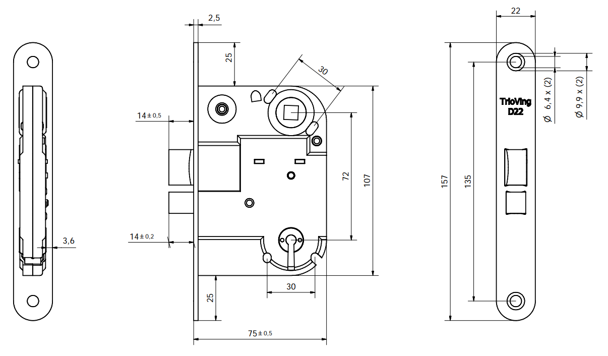
LKD22 smålås

Bruksområde
For lette innvendige dører hvor en ønsker bedre
avlåsning enn med en-tilholderlås. Tilholderlås
med falle- og reilefunksjon. Reilen betjenes med
nøkkel (nr. 140 -188)

1 of 2

Cookie consent

This video is hosted by YouTube. By showing the external content you accept the terms and conditions of www.youtube.com.

*Your choice will be saved in a cookie until you have closed your browser.