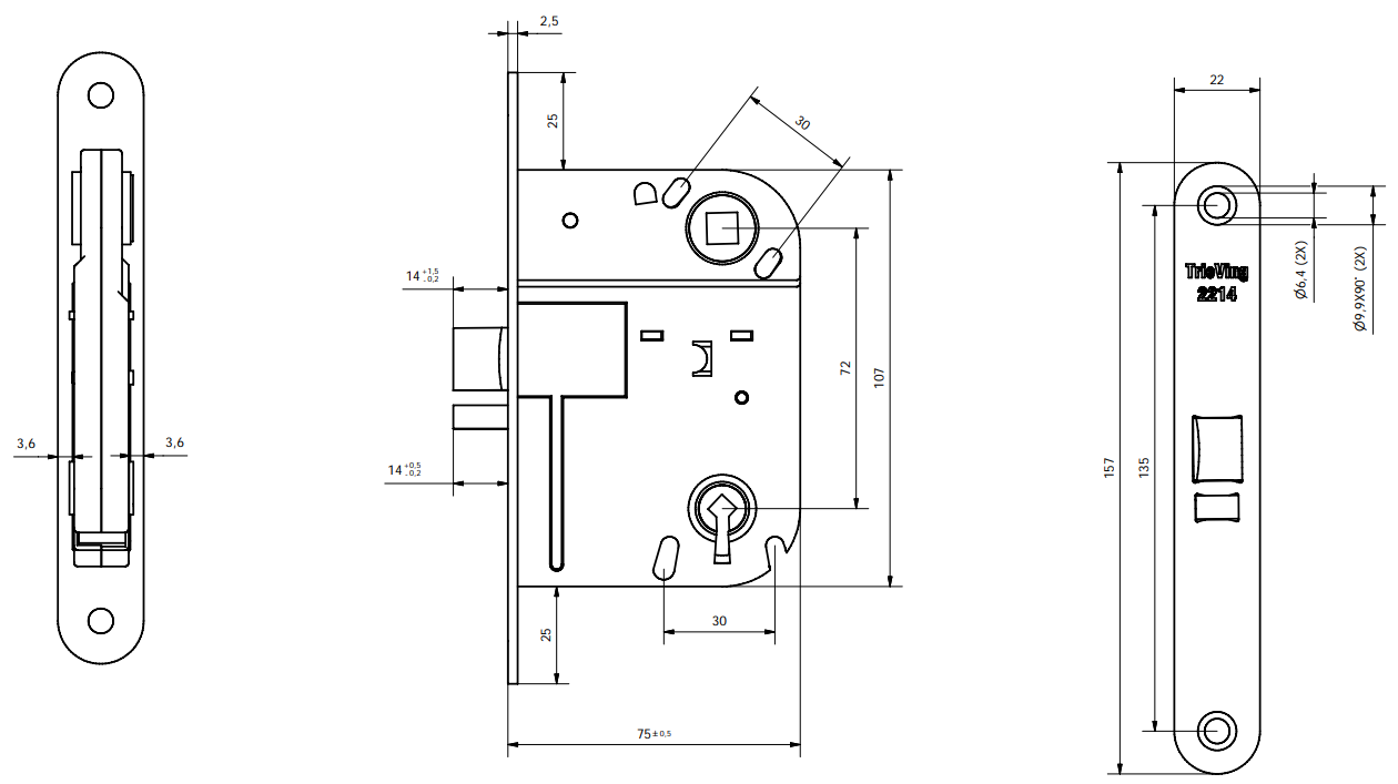
LK2214 smålås

Bruksområde
Lås for lette innvendige dører. Slagretningen kan
endres ved å trekke fallen ut og vende den 180°.
Beregnet for brannklassifiserte dører, B15 og B30.
Låsen er utstyrt med en tilholder og betjenes med
nøkkel (nr. 5).

1 of 2

Cookie consent

This video is hosted by YouTube. By showing the external content you accept the terms and conditions of www.youtube.com.

*Your choice will be saved in a cookie until you have closed your browser.