CL105

ABLOY industrilås

Anvendelse
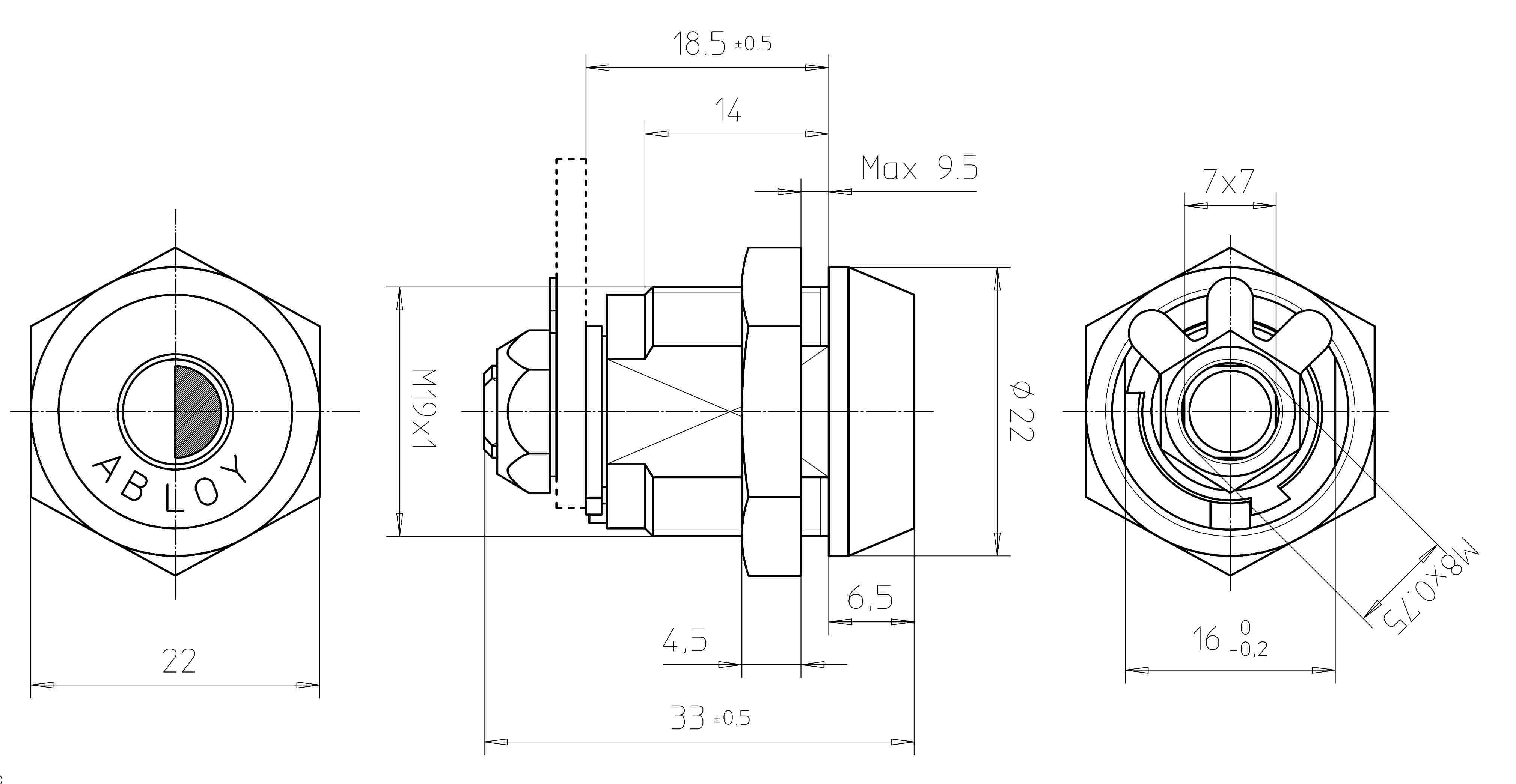
Sikkerhetslåser for myntopererte maskiner, vaskemaskiner, spille-automater, parkometere m.m. Kan monteres i dørtykkelser fra 0,5 mm.
Sylinderhus og første sylinderskive i messing fkr.
CL105 er av overflateherdet stål.

Levering
Lås med 2 nøkler og nøkkelkodemerke.

Cookie consent

This video is hosted by YouTube. By showing the external content you accept the terms and conditions of www.youtube.com.

*Your choice will be saved in a cookie until you have closed your browser.