A122

A122 Vinkelbrakett

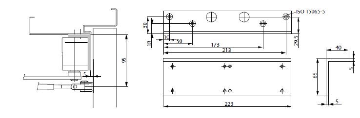
Vinkelbrakett for karmsidemontering av DC200

1 of 2

Cookie consent

This video is hosted by YouTube. By showing the external content you accept the terms and conditions of www.youtube.com.

*Your choice will be saved in a cookie until you have closed your browser.