Fiksatora slēdzene N1002

Priekšrocību pārskats

  • Vides produktu deklarācija (EPD) saskaņā ar EN 15804
  • Pārbaudīts 1000000 ciklos un ar 300 kg smagām durvīm
  • Atbilstība EN 12209
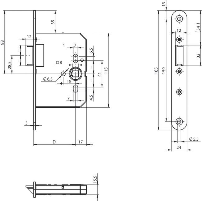
  • 17 mm aizmugurējā distance
  • Nepārtraukts stiprinājuma skrūvju savienojums
  • Priekšplāksnē integrēta piemērota espanjolete
  • 20 mm aizbīdņa gājiens ar vienu rotāciju
  • Pieejams arī ugunsdrošības versijā
  • Aizvērts slēdzenes korpuss
  • DIN kreisās/labās puses fiksators, apvēršams bez instrumentiem
  • Verschraubungsmöglichkeit für Beschläge durch das Schloss
  • Nerūsējošā tērauda priekšējā plāksne
  • Slēdzene ar pretsabojāšanas dizainu
  • Izstrādāts Euro profila cilindram un Šveices apaļa profila cilindram

Izstrādājuma apraksts

  • OneSystem fiksatora slēdzene N1002 standarta durvīm ar vienu vērti, izstrādājumu raksturojoša vides produktu deklarācija (EPD) saskaņā ar EN 15804 ar precei raksturīgiem parametriem.
6eb52-n1002.jpg
6eb52-n1002.jpg

Cookie consent

This video is hosted by YouTube. By showing the external content you accept the terms and conditions of www.youtube.com.

*Your choice will be saved in a cookie until you have closed your browser.