Sash lock for fire doors N1050

Overview of Advantages

  • Environmental product declaration (EPD) in accordance with EN 15804
  • Tested for 1,000,000 cycles and 300 kg door weight
  • Compliance with EN 12209
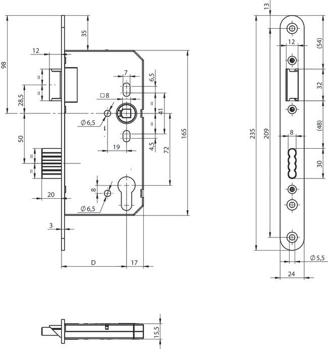
  • Small rear backset 17 mm
  • Continuous screw connection of fittings
  • Suitable espagnolette integrated in the striking plate
  • 20 mm bolt throw with a single rotation
  • Also available as a fire protection version
  • Closed lock case
  • Latch DIN left/right reversible without tools
  • Stainless steel faceplate
  • Deadbolt with anti-tampering design
  • Developed for Euro profile cylinder and Swiss round Profile cylinder

Product description

  • OneSystem sash lock N1050 according to EN 12209 for single-leaf standard doors/ approved for fire barriers according to EN 1634 / product-specific environmentalproduct declaration (EPD) according to EN 15804 with article-specific parameters /tested for 1,000,000 cycles and 300 kg door weight
5ced3-n1000_1050.jpg
5ced3-n1000_1050.jpg

Cookie consent

This video is hosted by YouTube. By showing the external content you accept the terms and conditions of www.youtube.com.

*Your choice will be saved in a cookie until you have closed your browser.