Varčios spyna priešgaisrinėms durims N1050

Privalumų apžvalga

  • Aplinką tausojančio gaminio deklaracija (EPD) pagal EN 15804 reikalavimus
  • Patikrinta atlikus 1 000 000 ciklų naudojant 300 kg svorio duris
  • Atitinka EN 12209 reikalavimus
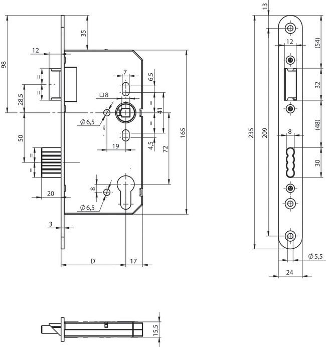
  • Nedidelis galinis tarpas, 17 mm
  • Nuolatinis tvirtinimo detalių prijungimas varžtais
  • Skląstis integruotas į plokštelę staktai
  • 20 mm liežuvėlis, išstumiamas vienu pasukimu
  • Galima rinktis ir versiją su apsauga nuo gaisro
  • Uždaras spynos korpusas
  • Skląstis, DIN kairinis / dešininis, pusės keičiamos be įrankių
  • Tvirtinimo detalių prijungimas varžtais.
  • Nerūdijančiojo plieno priekinė plokštelė
  • Užšovas su apsauga nuo sugadinimo
  • Pritaikyta europietiško profilio ir šveicariškiems apvaliems cilindrams

Gaminio aprašymas

  • „OneSystem“ varčios spyna N1050, atitinkanti EN 12209 reikalavimus, vienos varčios standartinėms durims, tinka naudoti apsaugai nuo gaisro pagal EN 1634, aplinką tausojančio gaminio deklaracija (EPD) pagal EN 15804 reikalavimus vertinant konkretaus gaminio parametrus, patikrinta atlikus 1 000 000 ciklų naudojant 300 kg svorio duris
66354-n1000_1050.jpg
66354-n1000_1050.jpg

1 of 2

Cookie consent

This video is hosted by YouTube. By showing the external content you accept the terms and conditions of www.youtube.com.

*Your choice will be saved in a cookie until you have closed your browser.