Spyna su užšovu N1503

Privalumų apžvalga

  • Aplinką tausojančio gaminio deklaracija (EPD) pagal EN 15804 reikalavimus
  • Patikrinta atlikus 1 000 000 ciklų naudojant 300 kg svorio duris
  • Atitinka EN 12209 reikalavimus
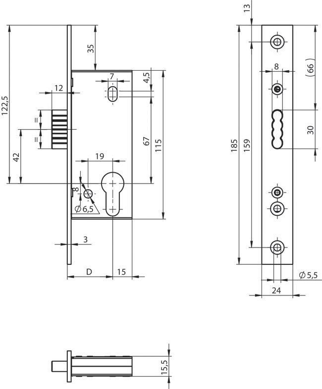
  • Nedidelis galinis tarpas, 15 mm
  • Nuolatinis tvirtinimo detalių prijungimas varžtais
  • Skląstis integruotas į plokštelę staktai
  • 20 mm liežuvėlis, išstumiamas vienu pasukimu
  • Galima rinktis ir versiją su apsauga nuo gaisro
  • Skląstis, DIN kairinis / dešininis, pusės keičiamos be įrankių
  • Nerūdijančiojo plieno priekinė plokštelė
  • Tvirtinimo detalių prijungimas varžtais.
  • Užšovas su apsauga nuo sugadinimo
  • Pritaikyta europietiško profilio ir šveicariškiems apvaliems cilindrams

Gaminio aprašymas

  • „OneSystem“ spyna su užšovu N1503 vienos varčios durims, aplinką tausojančio gaminio deklaracija (EPD) pagal EN 15804 reikalavimus vertinant konkretaus gaminio parametrus.
75e3a-n1503.jpg
75e3a-n1503.jpg

1 of 2

Cookie consent

This video is hosted by YouTube. By showing the external content you accept the terms and conditions of www.youtube.com.

*Your choice will be saved in a cookie until you have closed your browser.