V525 Lumira Lockset

Horizontal Lockset

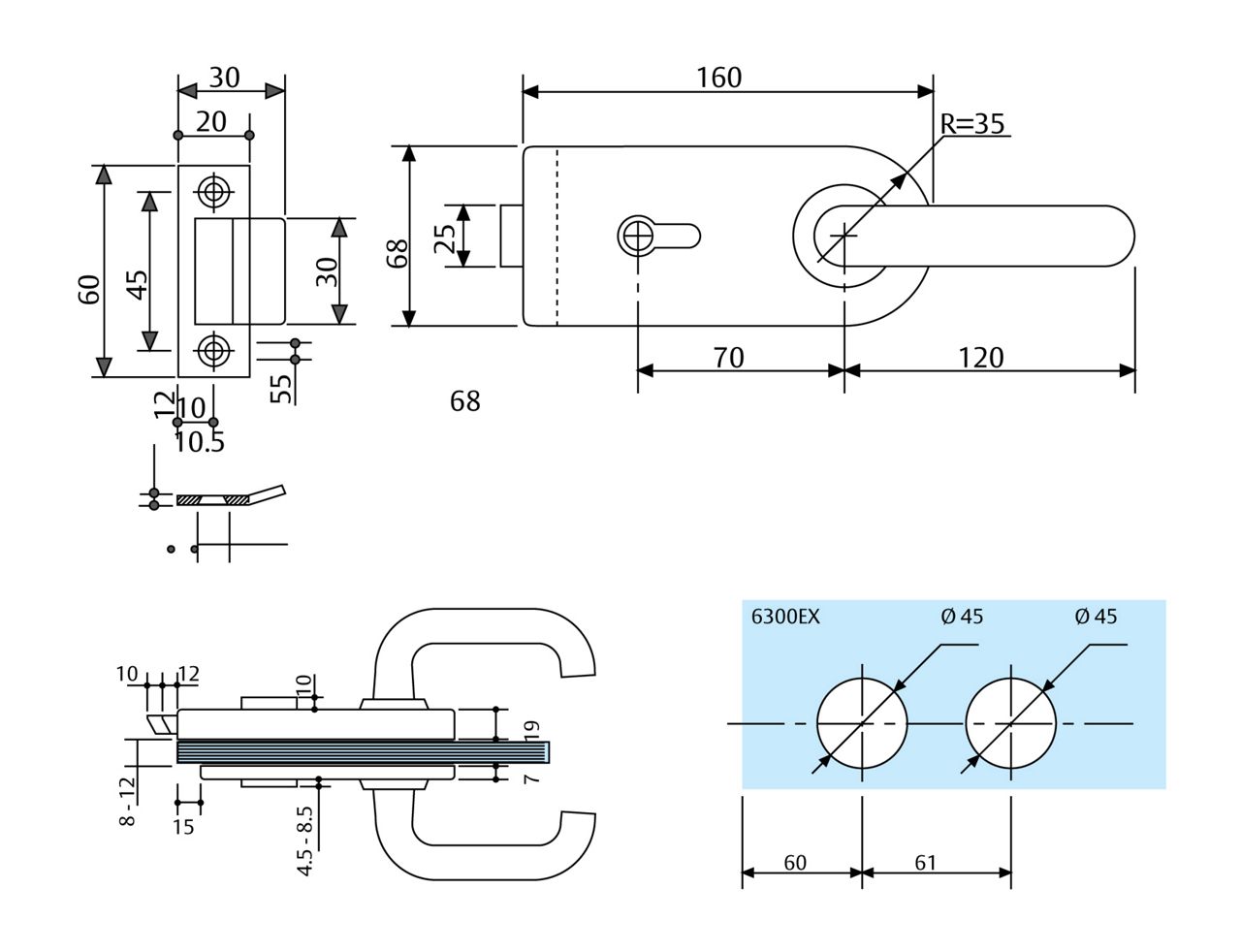
Description:

  • Lock with euro profile cylinder and handles
  • Offset mechanism to allow compression of rebate strip
  • Resistance to heavy use
  • Offset mechanism

Technical details:

  • For 8 -10mm and 12mm thick toughened glass
  • To fit notch 6300EX
  • Reversible
  • Locked by key with forward motion of latch bolt
  • Retractable latch bolt by key
  • Supplied with flat keep
e161d-modelno--v525.jpg
e161d-modelno--v525.jpg

Cookie consent

This video is hosted by YouTube. By showing the external content you accept the terms and conditions of www.youtube.com.

*Your choice will be saved in a cookie until you have closed your browser.