Incontro elettrico 118F.23

  • effeff
  • Porta sbloccata in presenza di tensione
  • Diodo di protezione
  • ProFix® 2
  • Retrosegnalazione

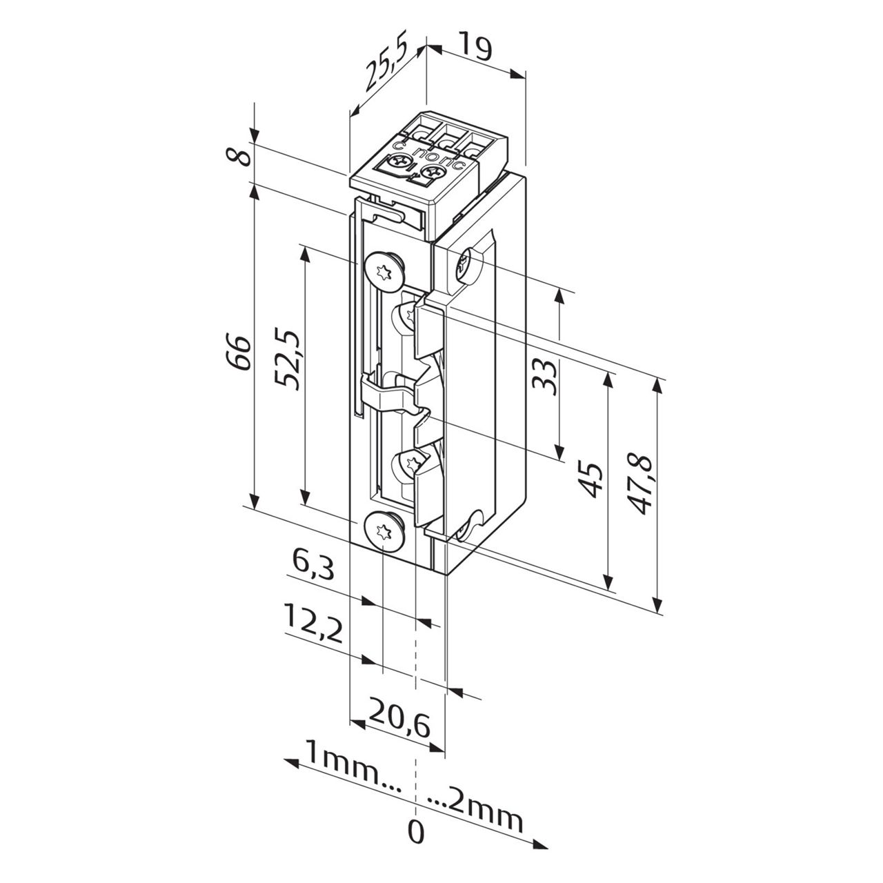
Il modello 118F.23 è un incontro elettrico a ingombro ridotto dal design minimale, particolarmente indicato per porte gestite da controllo digitale degli accessi e per porte tagliafuoco. È dotato di funzione di retrosegnalazione e guida scrocco con tecnologia ProFix® 2.

La porta si sblocca in presenza di tensione elettrica. 

Grazie alle caratteristiche elettriche della bobina, questo modello permette di realizzare la cosidetta funzione di fermo a giorno elettrico (solo in presenza di corrente continua).

Il modello 118F.23 è equipaggiato con ricevi scrocco regolabile FaFix® ed è dotato di diodo bipolare di protezione dalle sovratensioni a tutela della scheda elettronica.

Il dispositivo di retrosegnalazione segnala lo stato della porta, indicando se essa è aperta o chiusa.

Il cinematismo radiale dello scrocco permette un'installazione non invasiva, evitando di dover realizzare un'extra lavorazione nel telaio della porta.

La tecnologia ProFix® 2 è pensata per quelle applicazioni dove si richiede un impatto estetico minimale del sistema porta, in quanto non è necessaria alcuna fresatura laterale sul telaio della porta. L'incontro elettrico quindi risulta del tutto invisibile a porta chiusa in quanto completamente incassato all'interno del telaio. 

Leggi di più su ProFix® 2
Incontro elettrico 118F.23
Incontro elettrico 118F.23

1 of 2

Cookie consent

This video is hosted by YouTube. By showing the external content you accept the terms and conditions of www.youtube.com.

*Your choice will be saved in a cookie until you have closed your browser.