Incontro elettrico 148.13

  • effeff
  • Porta sbloccata in presenza di tensione
  • Porta sbloccata con impulso di tensione
  • ProFix® 2

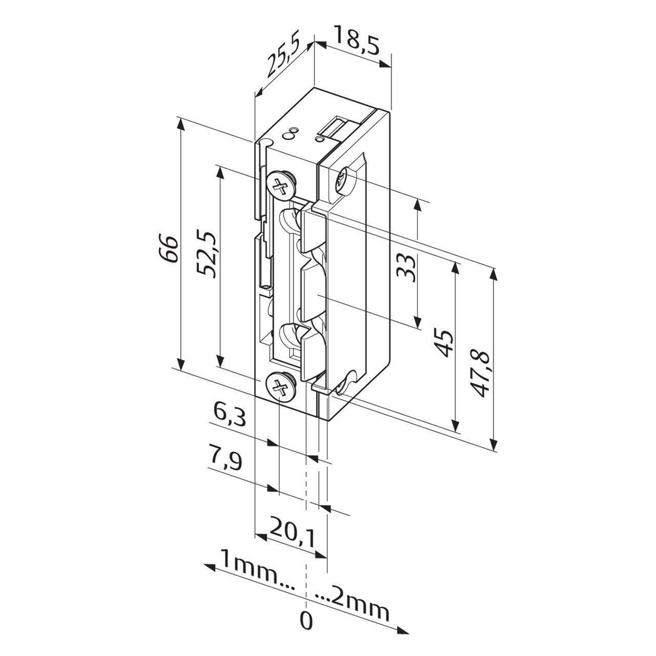
Il modello 148.13 è un incontro elettrico a ingombro ridotto dal design minimale, progettato per porte a battente senza particolari requisiti antieffrazione e con guida scrocco con tecnologia ProFix® 2.

La porta si sblocca quando viene rilasciato l'impulso elettrico e, con l'azione dell'antiripetitore, rimane sbloccata fino a che non viene aperta. Questo modello è equipaggiato con antiripetitore interno all'incontro elettrico, quindi sul rievi scrocco non è presente alcun elemento mobile (perno o leva).

Grazie alle caratteristiche elettriche della bobina, questo modello permette di realizzare la cosidetta funzione di fermo a giorno elettrico (solo in presenza di corrente continua).

Il modello 148.13 è equipaggiato con ricevi scrocco regolabile FaFix®.

Il cinematismo radiale dello scrocco permette un'installazione non invasiva, evitando di dover realizzare un'extra lavorazione nel telaio della porta.

La tecnologia ProFix® 2 è pensata per quelle applicazioni dove si richiede un impatto estetico minimale del sistema porta, in quanto non è necessaria alcuna fresatura laterale sul telaio della porta. L'incontro elettrico quindi risulta del tutto invisibile a porta chiusa in quanto completamente incassato all'interno del telaio. 

Leggi di più su ProFix® 2
Incontro elettrico 148.13
Incontro elettrico 148.13

Cookie consent

This video is hosted by YouTube. By showing the external content you accept the terms and conditions of www.youtube.com.

*Your choice will be saved in a cookie until you have closed your browser.