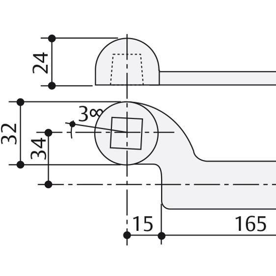
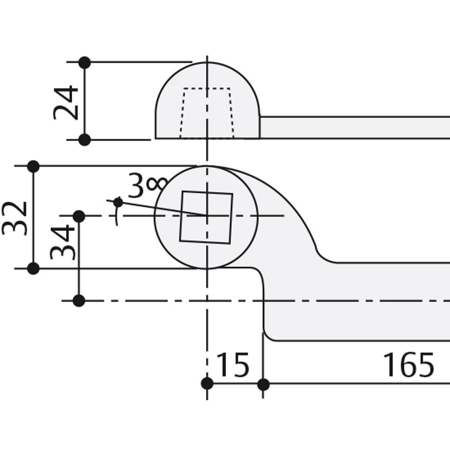
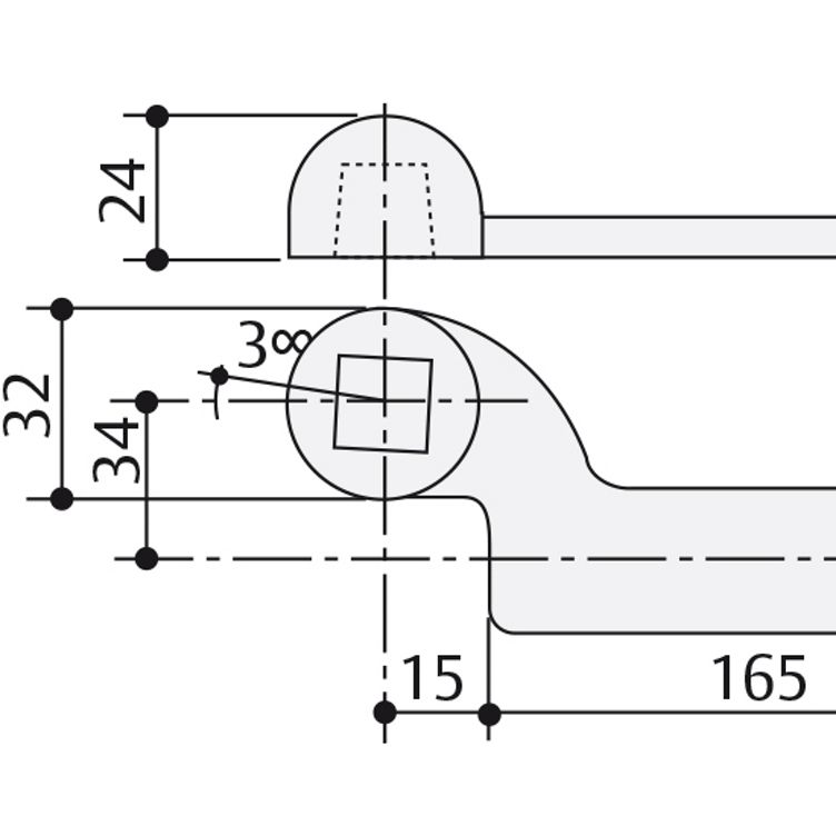
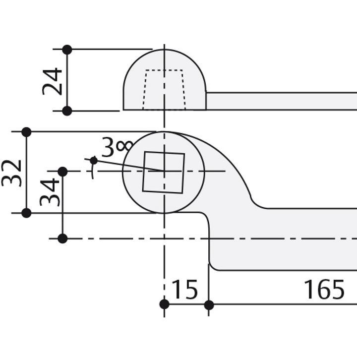
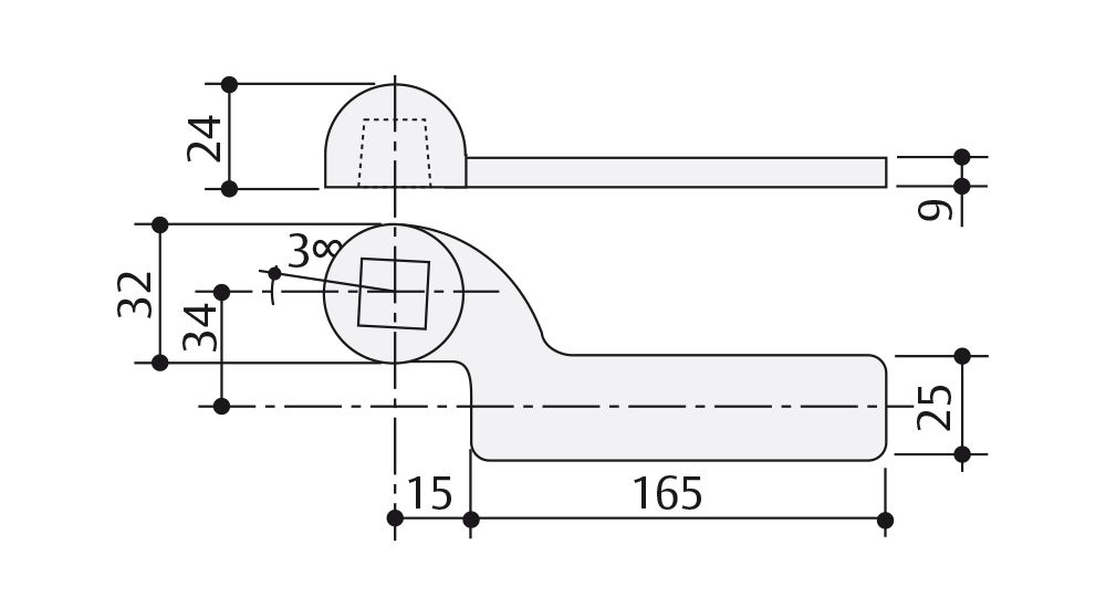
AC 3

AC 3 - Braccio inferiore in ottone

  • Per porte sinistre per perno italiano
  • Singola azione
389e5-ac3.jpg
389e5-ac3.jpg

Cookie consent

This video is hosted by YouTube. By showing the external content you accept the terms and conditions of www.youtube.com.

*Your choice will be saved in a cookie until you have closed your browser.