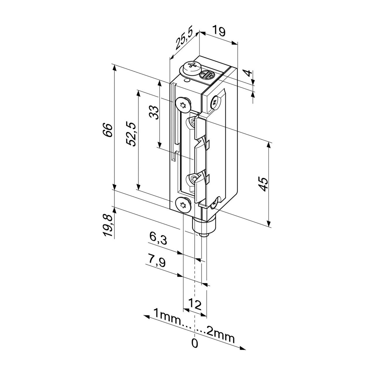
Pneumatski prihvatik EX138P3

Opis proizvoda:

Prihvatnik radi na komprimirani zrak.

Elektro prihvatnik je otključan kada nije pod tlakom

Kada se dovodi komprimirani zrak, elektro prihvatnik je zaključan.

Pregled prednosti

  • Za uporabu u područjima sklona eksploziji
  • Radius držač, FaFix®, podesiv za 3 mm
  • Niska dubina montaže
  • Kompatibilno s ProFix® 2 prihvatnim pločama

Cookie consent

This video is hosted by YouTube. By showing the external content you accept the terms and conditions of www.youtube.com.

*Your choice will be saved in a cookie until you have closed your browser.