N482

Opis proizvoda:

  • Dostupna kao okretna sigurnosna ili elektronička verzija (V=)
  • Komponente kućišta cilindra od mesinga
  • Standardna završna obrada, satinirani niklani premaz (OF=MV)
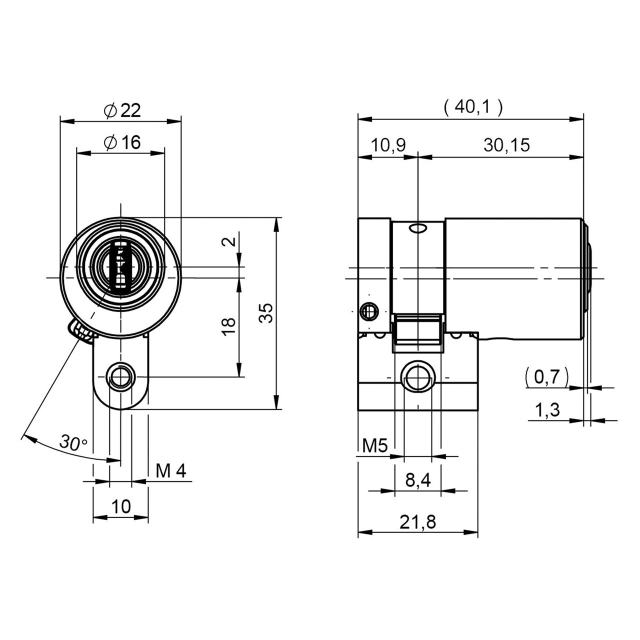
  • Duljina osnovnog cilindra od 30 mm (A) (L=30) - Dostupne su i druge duljine za ugradnju - Prilagodljivi komplet za kućište
  • Standardni položaj brijega (SST=8x45); dostupan je različit položaj brijega (SST=12x30)
  • Standardna verzija s čvrstim spojem VAR=STARR i slobodno podesivom bravicom za brijeg SST=FLEX
  • Opcionalno uz SST=FZG moguće
  • Funkcija slobodnog hoda samo bez VAR=STARR
  • Opcijski dostupan sa zaštitom od bušenja klase 2 (AB=2)
  • Brijeg je izrađen od nehrđajućeg čelika otpornog na lom i koroziju
  • Do 200.000 ciklusa bez održavanja
  • Otporan na prskanje IP54
  • Dostupna zaštita od prašine i kiše (SUR=1) IP55
  • Opcijski dostupna za upotrebu u potencijalno eksplozivnim atmosferama u zoni 1 (ATEX=II 2G EX IB IIB T4 Gb)

Isporučeni dijelovi

  • 1 vijak za pričvršćivanje cilindra M5 x 85 mm

Cookie consent

This video is hosted by YouTube. By showing the external content you accept the terms and conditions of www.youtube.com.

*Your choice will be saved in a cookie until you have closed your browser.