N481

Opis proizvoda:

  • Dostupna kao rotacijski zaštićena ili elektronička verzija (V=)
  • Druga strana može imati elektroničku ili okretno sigurnu konstrukciju
  • Komponente kućišta cilindra od mesinga
  • Standardna završna obrada, satenski niklani premaz (OF=MV)
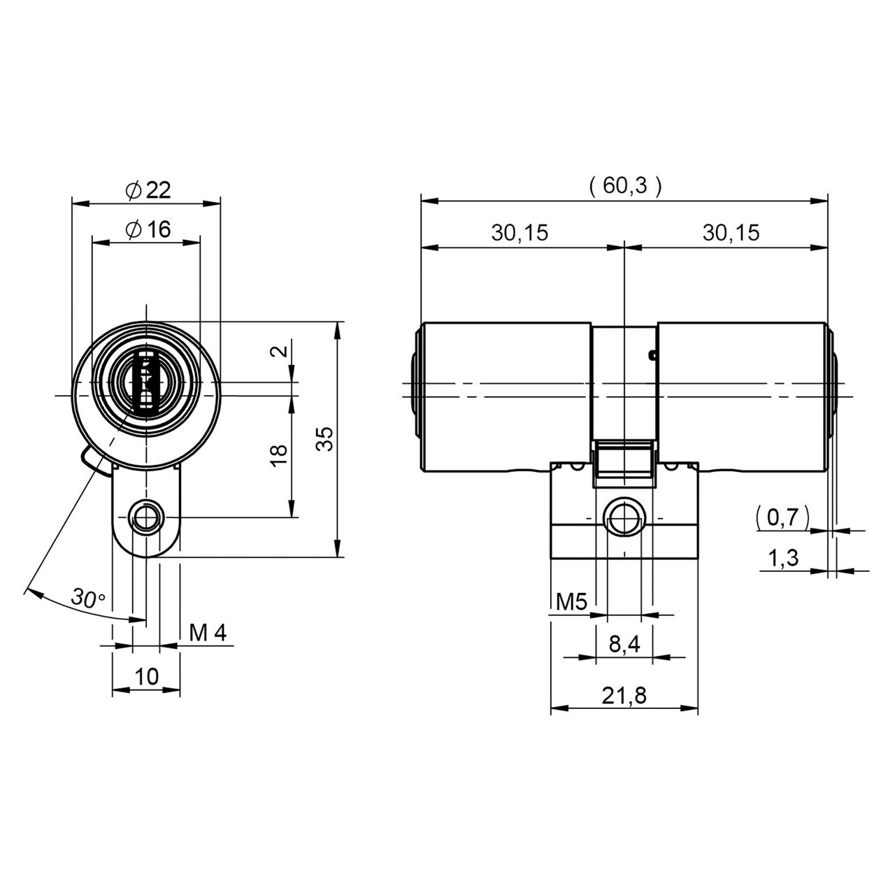
  • Osnovna duljina cilindra 61 mm (C) - A/B (L=30/30) - dostupne su druge duljine ugradnje - fleksibilni modularni sustav
  • Standardni položaj bravice za brijeg (SST=30°); dostupan je različit položaj dijela za zaključavanje
  • Opcionalno uz SST=FZG moguće
  • Opcionalno s razredom zaštite od bušenja 2 (AB=2/-, -/2, 2/2)
  • U serijskoj opremi obje se strane mogu zaključati (GE=BS) i free-wheeling funkcija od 360°
  • Brijeg izrađen od nehrđajućeg čelika otpornog na oštećenja
  • Bez održavanja do 200.000 ciklusa
  • Zaštita od prskanja IP54
  • Opcionalno dostupno za uporabu u potencijalno eksplozivnim atmosferama u zoni 1 (ATEX=II 2G EX IB IIB T4 Gb)
  • Pokrov protiv prašine i kiše za jednu ili obje strane dostupan pod (SUR=1/-; -/1; 1/1)

Isporučeni dijelovi

  • 1 vijak za pričvršćivanje cilindra M5 x 85 mm

Cookie consent

This video is hosted by YouTube. By showing the external content you accept the terms and conditions of www.youtube.com.

*Your choice will be saved in a cookie until you have closed your browser.