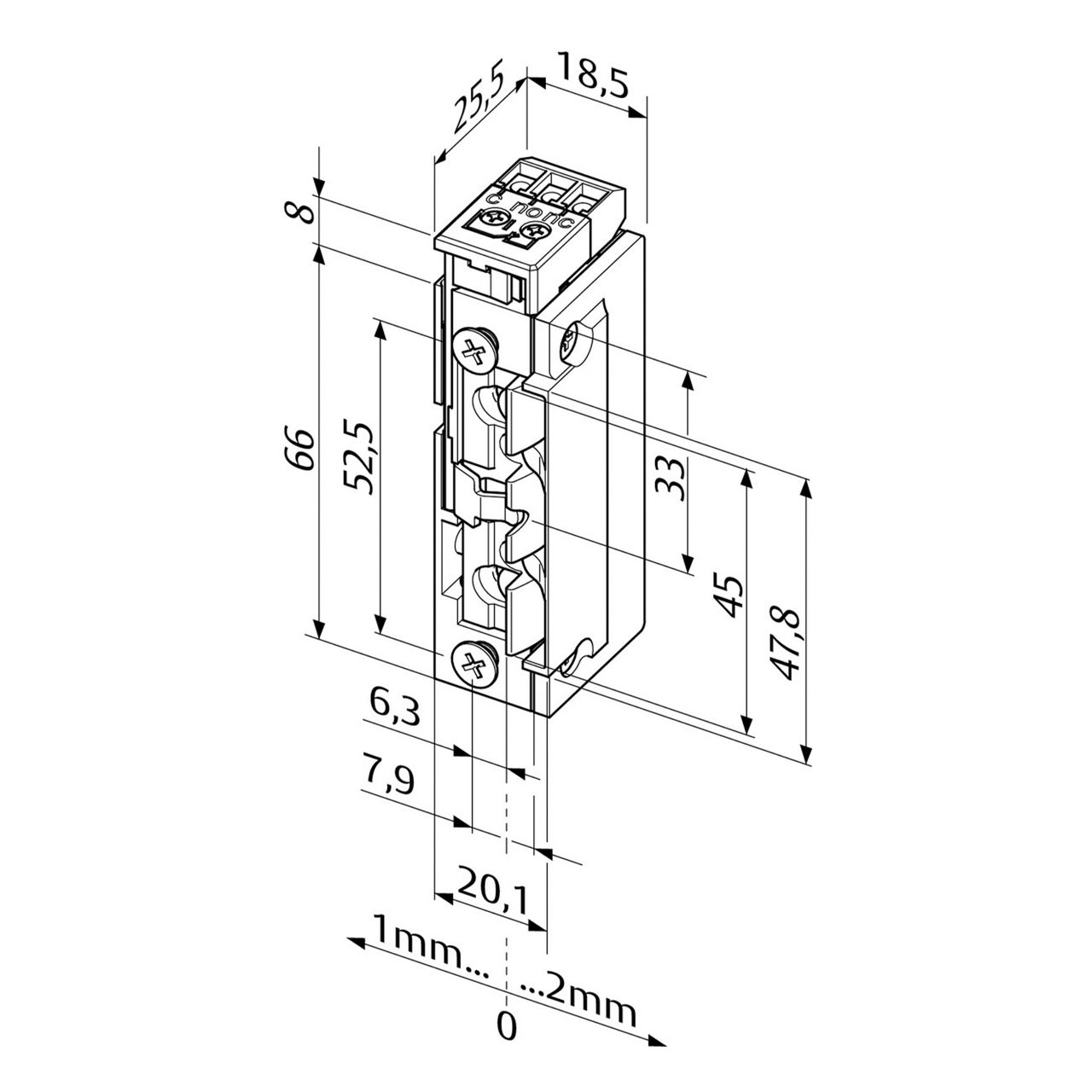
Electric strike 118.63

Product description

Model with bipolar protective diode for access control systems. Monitoring contact as potential-free changeover contact, actuated by the latch bolt.

Overview of Advantages

  • Radius keep, FaFix®, adjustable by 3 mm
  • Voltage range
  • Compatible with current mortise locks
  • Compatible with ProFix® 2 strike plates
  • Optimal outlet slopes for gentle interaction with the latch bolt
  • Symmetrical design. DIN left/right as well as horizontal applicable

Cookie consent

This video is hosted by YouTube. By showing the external content you accept the terms and conditions of www.youtube.com.

*Your choice will be saved in a cookie until you have closed your browser.