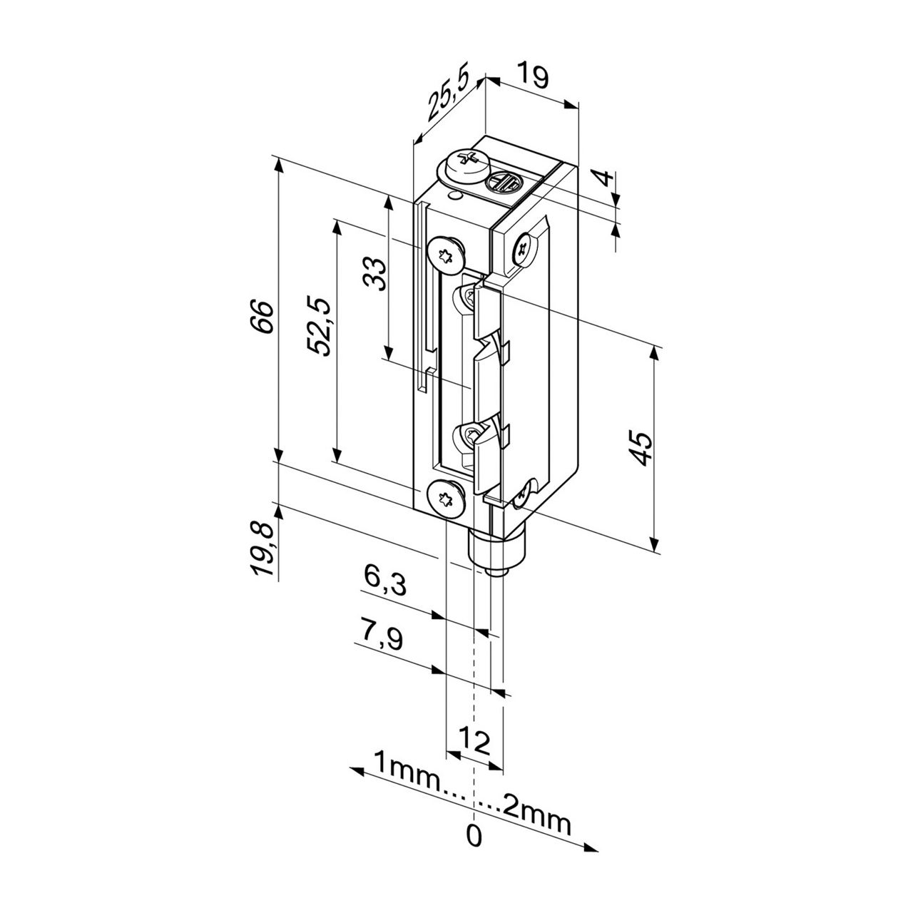
Pneumatic strike EX138P3

Product description

The strike works on compressed air.

The electric strike is unlocked when unpressurized

When compressed air is supplied, the electric strike is locked.

Overview of Advantages

  • For use in explosion-prone areas
  • Radius keep, FaFix®, adjustable by 3 mm
  • Low mounting depth
  • Compatible with ProFix® 2 strike plates

1 of 2

Cookie consent

This video is hosted by YouTube. By showing the external content you accept the terms and conditions of www.youtube.com.

*Your choice will be saved in a cookie until you have closed your browser.