jumpToMainContent
It looks like you are visiting from a different region. Select your country or region for location-specific content.
Go to Ireland
ASSA ABLOY
  • Career
  • Solutions
  • Service
  • Stories
  • About ASSA ABLOY in Adria region
  • Career-cro
  • Products
    • Doors
    • Door equipment
    • Curtains
    • Digital Access Solutions
    • Intercoms
  • Solutions by topic
    • Digital Access Solutions
    • Door Closers
    • BIM & specification
    • Metalind doors
    • Intercoms
  • Solutions for every industry
    • Aviation
    • Education
    • Distribution and logistics
    • Entertainment and public facilities
    • Finance and banking
    • Government and military
    • Healthcare
    • Hospitality
    • Industry and manufacturing
    • Office and enterprise
    • Residential
    • Retail
    • Shipyards
    • Transportation
ASSA ABLOY
  • Cylinder eCLIQ
  • Profile-double cylinder eCLIQ

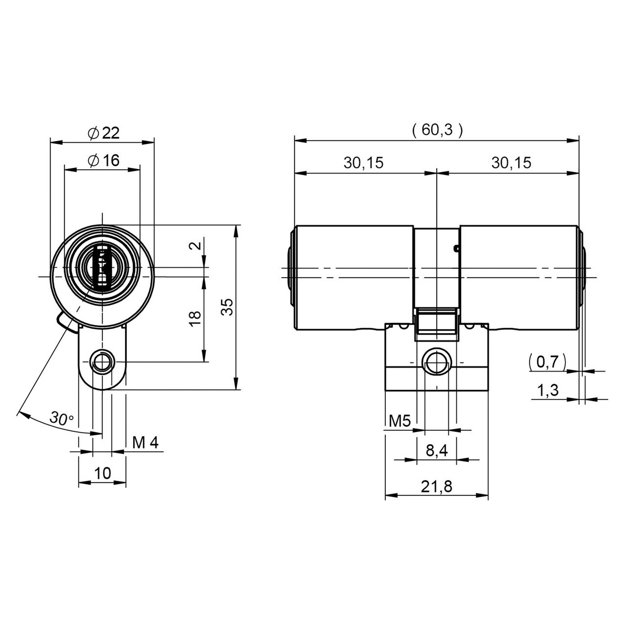
N481

Product description

  • Available as rotary secured or electronical version (V=)
  • Other side can feature an electronic or rotary-secured design
  • Brass cylinder housing components
  • Standard finish, satin nickel-plated (OF=MV)
  • Basic cylinder length 61 mm (C) - A/B (L=30/30) - other installation lengths available - flexible modular system
  • Standard locking cam position (SST=30°); differing locking bit position available
  • Optional with SST=FZG possible
  • Optional with anti drilling protection class 2 (AB=2/-, -/2, 2/2)
  • Both side locking (GE=BS) and 360° free-wheeling function as standard
  • Cam made of break-proof, corrosion-resistant stainless steel
  • Maintenance-free for up to 200,000 cycles
  • Splash-proof IP54
  • Optionally available for use in potentially-explosive atmospheres in Zone 1 (ATEX=II 2G EX IB IIB T4 Gb)
  • Dust and rain cover for one or both sides available under (SUR=1/-; -/1; 1/1)

Scope of delivery

  • 1 cylinder fixing screw M5 x 85 mm

1 of 2

Cookie consent

This video is hosted by YouTube. By showing the external content you accept the terms and conditions of www.youtube.com.

*Your choice will be saved in a cookie until you have closed your browser.

  • Solutions
  • Service
  • Stories
  • About ASSA ABLOY in Adria region
  • Career-cro
  • Contact us
  • LinkedIn
  • Facebook
  • Instagram
  • YouTube
  • © ASSA ABLOY
  • Cookies
  • Legal
  • Privacy center
  • Whistleblowing
ASSA ABLOY
Experience a safer and more open world
  • Solutions
  • Products
  • Doors
  • Door equipment
  • Curtains
  • Digital Access Solutions
  • Intercoms
  • Solutions by topic
  • Digital Access Solutions
  • Door Closers
  • BIM & specification
  • Metalind doors
  • Intercoms
  • Solutions for every industry
  • Aviation
  • Education
  • Distribution and logistics
  • Entertainment and public facilities
  • Finance and banking
  • Government and military
  • Healthcare
  • Hospitality
  • Industry and manufacturing
  • Office and enterprise
  • Residential
  • Retail
  • Shipyards
  • Transportation
  • Service
  • Emergency service
  • Service agreements
  • Stories
  • About ASSA ABLOY in Adria region
  • Career-cro