Sulgurlukk tulekaitseustele N1550

Ülevaade eelistest

  • Tootekohane keskkonnaalane tootedeklaratsioon (EPD) vastavalt standardile EN 15804
  • 1 000 000 testtsüklit 300 kg kaaluva uksega
  • Vastab standardile EN 12209
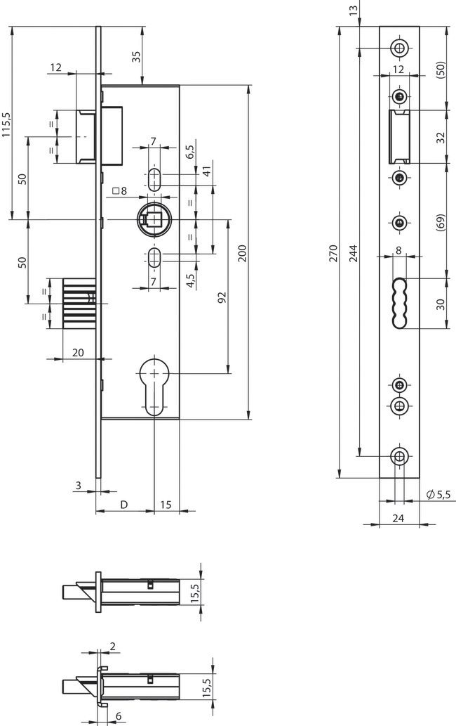
  • Väike tagumine tapikaugus, 15 mm
  • Detailide tasased kruviühendused
  • Sobiv kremoon on integreeritud vasturauda
  • 20 mm lukukeele väljakeeramine ühe pöördega
  • Samuti saadaval tuletõkkeversioonis
  • DIN riivi vasak-/parempoolne käelisus on muudetav ilma tööriistadeta
  • Roostevabast terasest esipaneel
  • Turvadetailid ja ovaalrosetid on võimalik kinnitada läbi luku
  • Muukimiskindla ehitusega lukustuskeel
  • Mõeldud Euro-profiiliga südamikule ja Šveitsi ümara profiiliga südamikule

Toote kirjeldus

  • OneSystemi sulgurlukk N1500 ühepoolsetele standardustele vastavalt standardile EN 12209, tootekohane keskkonnaalane tootedeklaratsioon (EPD) vastavalt standardile EN 15804 koos tootespetsiifiliste parameetritega / 1 000 000 testtsüklit 300 kg kaaluva uksega
2bf11-n1500_1550.jpg
2bf11-n1500_1550.jpg

1 of 2

Cookie consent

This video is hosted by YouTube. By showing the external content you accept the terms and conditions of www.youtube.com.

*Your choice will be saved in a cookie until you have closed your browser.