Assa Abloy CliqGO N531 Nikl

Elektronická oboustranná cylindrická vložka N531 Cliq GO IKON nabízí moderní řešení pro bezpečné a flexibilní řízení přístupů. Systém Cliq GO umožňuje snadnou správu přístupových práv prostřednictvím mobilní aplikace nebo cloudu, takže změny lze provádět rychle a bez nutnosti výměny vložky. Vložka je navržena pro použití v kancelářských budovách, malých a středních firmách či u samostatných podnikatelů, kteří potřebují spolehlivé a přehledné zabezpečení. Robustní konstrukce a certifikace RC3 zaručují vysokou odolnost proti vloupání. Vložka je bezúdržbová a představuje spolehlivé řešení pro dlouhodobý provoz. Díky prostupové spojce je možné otevírat dveře i v případě, že je na druhé straně ponechán klíč.

Bez klíče
Popis produktu
  • Elektronická nebo mechanická verze s ochranou proti pootočení (V=)
  • Mosazné komponenty pouzdra vložky
  • Standardní povrchová úprava, poniklovaný satén (OF=MV)
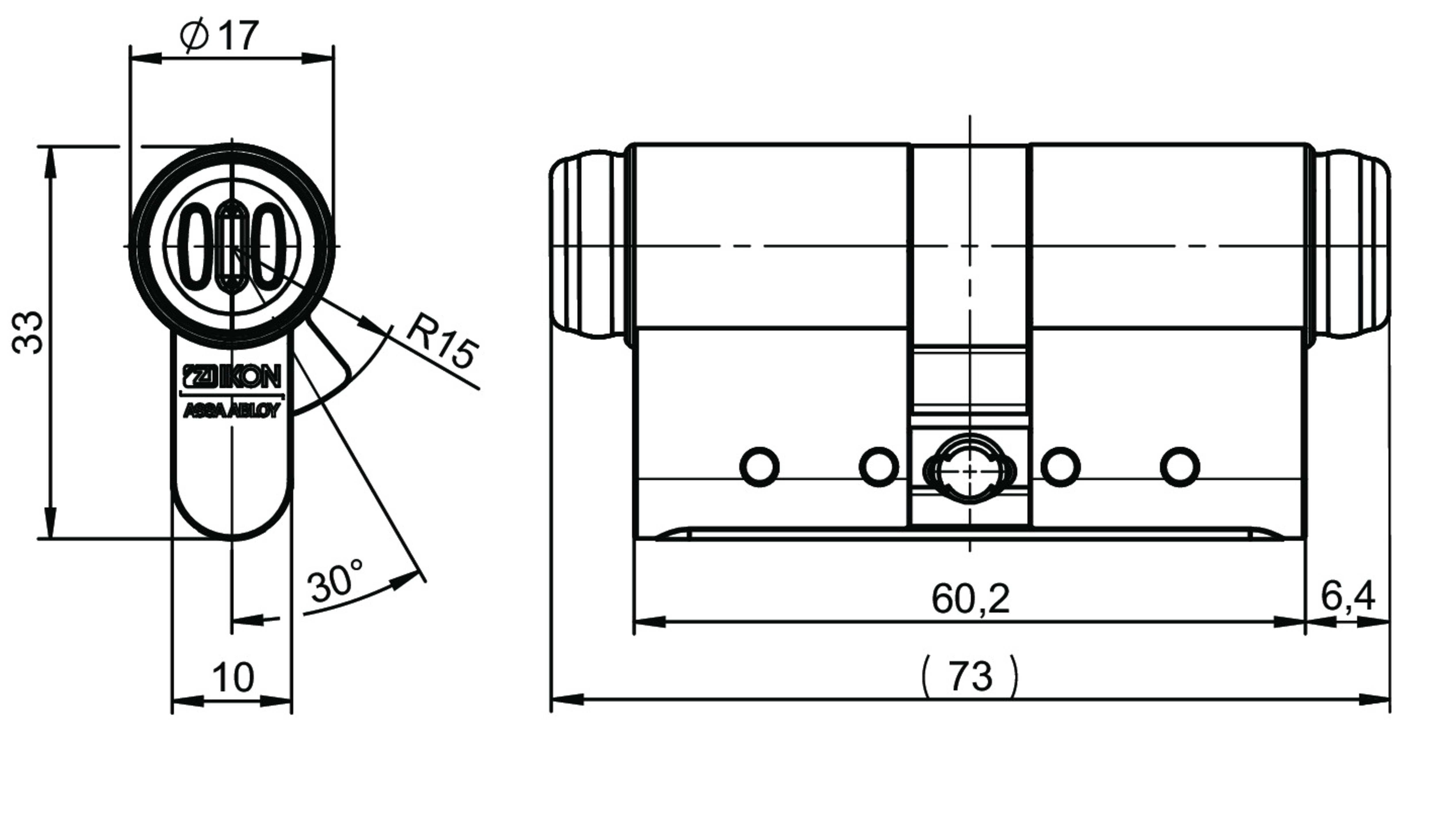
  • Základní délka cylindrické vložky 61 mm (C) - A/B (L=30/30) - k dispozici jsou i jiné montážní délky – flexibilní modulární systém
  • Palec z nerozbitné, korozivzdorné nerezové oceli
  • Nevyžaduje údržbu až do 200 000 cyklů
  • Krytí proti stříkající vodě IP54
  • Standardní poloha uzamykacího palce (SST=30°)
  • Splňuje třídu RC3 podle ČSN EN 1627:2022 a CP NBÚ
Volitelné
  • K dispozici jsou různé polohy uzamykacího palce, volitelně s SST=FLEX
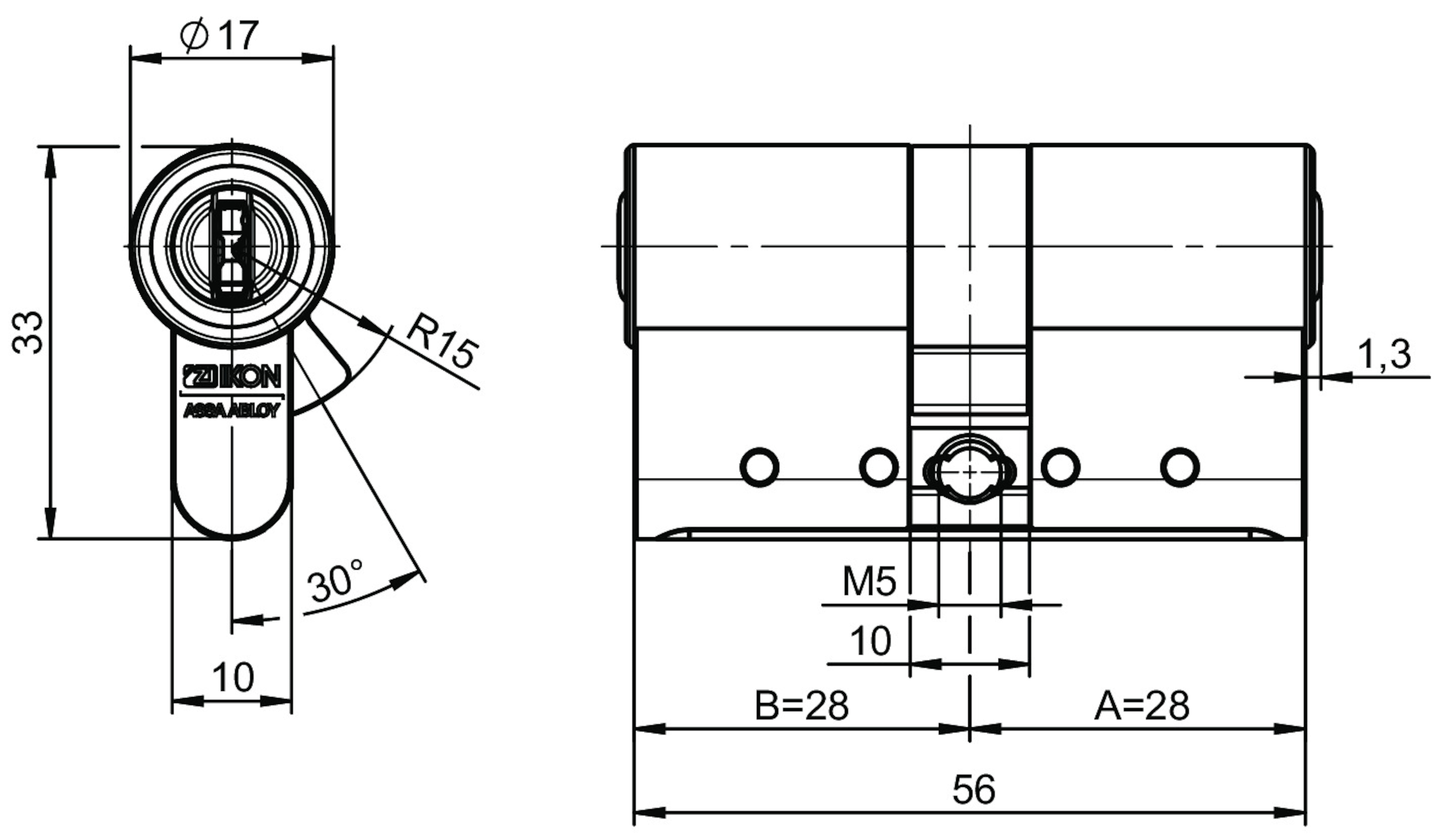
  • Volitelně odlišná základní délka cylindrické vložky 56 mm (C) - A/B (L=28/28)
  • Volitelně s dvojitým uzamykacím palcem (VAR=K901310-X-BIFFAR)
  • Volitelně s SST=FZG (viz informace o funkci FZG v návodu k obsluze)
  • Volitelně k dispozici s ochranou proti odvrtání třídy 2 (AB=2)
  • Oboustranné zamykání (GE=BS) a funkce volného otáčení o 360° jako standard
  • K dispozici je prachová a dešťová krytka pro jednu nebo obě strany (SUR=3/-, -/3, 3/3) IP55
  • Volitelně DIN EN 15684 s ochranou proti vyvrtání třídy 2 (SZ=DIN-D, AB=2)
Obsah balení
  • 1 Cylindrická vložka
  • 1 Upevňovací šroub M5 x 85 mm

1 of 5

Cookie consent

This video is hosted by YouTube. By showing the external content you accept the terms and conditions of www.youtube.com.

*Your choice will be saved in a cookie until you have closed your browser.