Assa Abloy CliqGO NT01 Nikl

Elektronický vačkový zámek NT01 Cliq GO nabízí moderní a flexibilní řešení pro bezpečné řízení přístupů. Systém Cliq GO umožňuje snadnou správu přístupových práv prostřednictvím mobilní aplikace nebo cloudu, takže změny lze provádět rychle a bez nutnosti výměny zámku. Zámek je vybaven vačkovým mechanismem bez ovládací páky, což jej činí ideálním pro skříňky, technické místnosti, serverovny a další uzamykatelné prostory, kde je požadováno efektivní a spolehlivé uzamčení. Zámek je bezúdržbový a navržený pro dlouhodobý provoz.

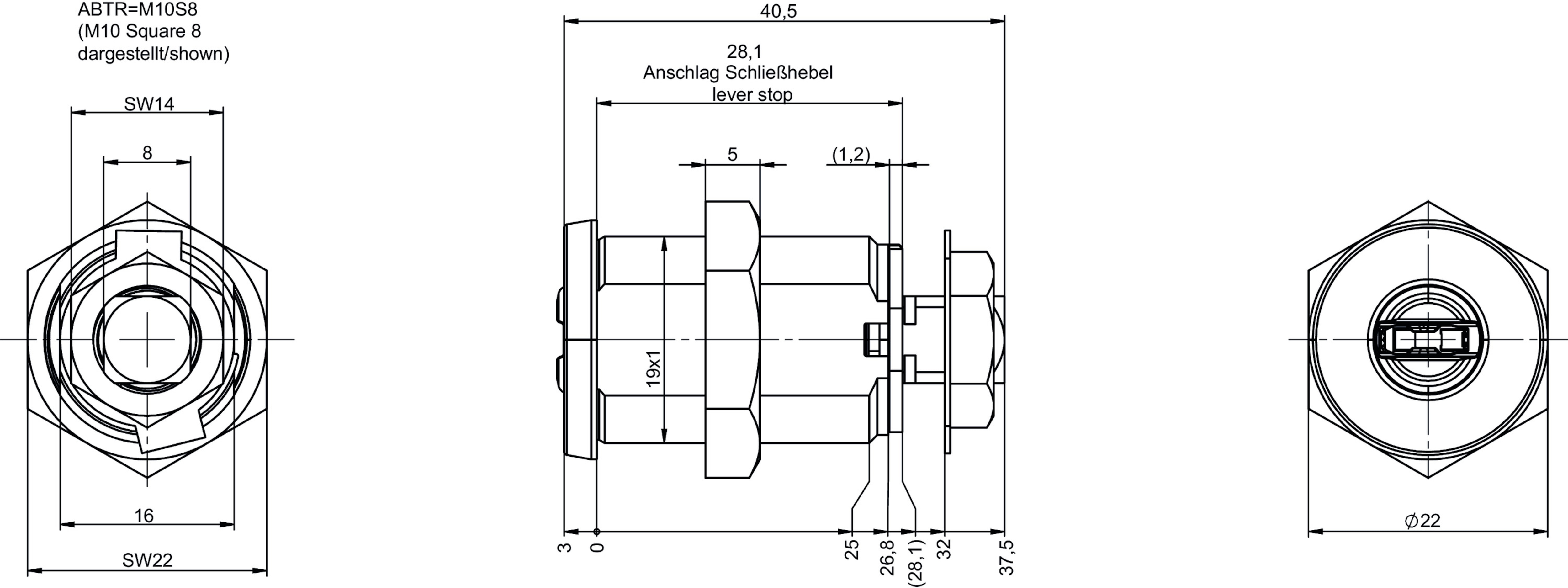
Průměr 19 mm, bočně zploštěná na 16 mm - bez klíče, bez uzamykací páky
Popis produktu
  • Elektronická nebo mechanická verze s ochranou proti pootočení (V=)
  • Standardně s výstupem jádra pro montáž uzamykacích pák (ABTR=M10S8)
  • Mosazné komponenty pouzdra vložky
  • Povrch matně poniklovaný (OF=MV)
  • Upevnění pomocí matice pouzdra M19 x 1 x 5
  • Standardní dráha zámku a dráha páky 90º vlevo nebo vpravo (AUS=0)
  • Vyjmutí klíče v poloze 0°
  • Nevyžaduje údržbu až 200 000 cyklů
  • Ideální pro použití v poštovních schránkách, skříňkách a kovových skříních s cylindrickými pákovými zámky
Volitelné
  • Volitelně s dalšími výstupy jádra (ABTR=)
  • Volitelně dráha zámku a dráha uzamykací páky 180º vlevo nebo vpravo (AUS=180)
  • Vyjmutí klíče v poloze 0° a 180
  • K dispozici je prachová a dešťová krytka (SUR=1) IP55
Obsah balení
  • 1 Průmyslový zámkem se závitem na tělese
  • 1 Matice pouzdra M19 x 1 x 5
  • 1 Matice jádra, M7 x 1 (pro výstup jádra M7V05 a M7S6) nebo M10 x 1 (pro výstup jádra M10S8)
Objednací údaje
  • Uzamykací páky a další doplňkové díly objednávejte samostatně - č. NTS1

Cookie consent

This video is hosted by YouTube. By showing the external content you accept the terms and conditions of www.youtube.com.

*Your choice will be saved in a cookie until you have closed your browser.