Assa Abloy CliqGO N532 Nikl

Elektronická jednostranná cylindrická vložka N532 Cliq GO IKON nabízí moderní řešení pro bezpečné a flexibilní řízení přístupů. Systém Cliq GO umožňuje snadnou správu přístupových práv prostřednictvím mobilní aplikace nebo cloudu, takže změny lze provádět rychle a bez nutnosti výměny vložky. Půlvložka je ideální pro technické místnosti, serverovny, šatny nebo prostory, kde je požadováno ovládání pouze z jedné strany. Robustní konstrukce a certifikace RC3 zaručují vysokou odolnost proti vloupání. Půlvložka je bezúdržbová a představuje spolehlivé řešení pro dlouhodobý provoz.

Bez klíče
Popis produktu
  • Elektronická nebo mechanická verze s ochranou proti pootočení (V=)
  • Mosazné komponenty pouzdra vložky
  • Standardní povrchová úprava, poniklovaný satén (OF=MV)
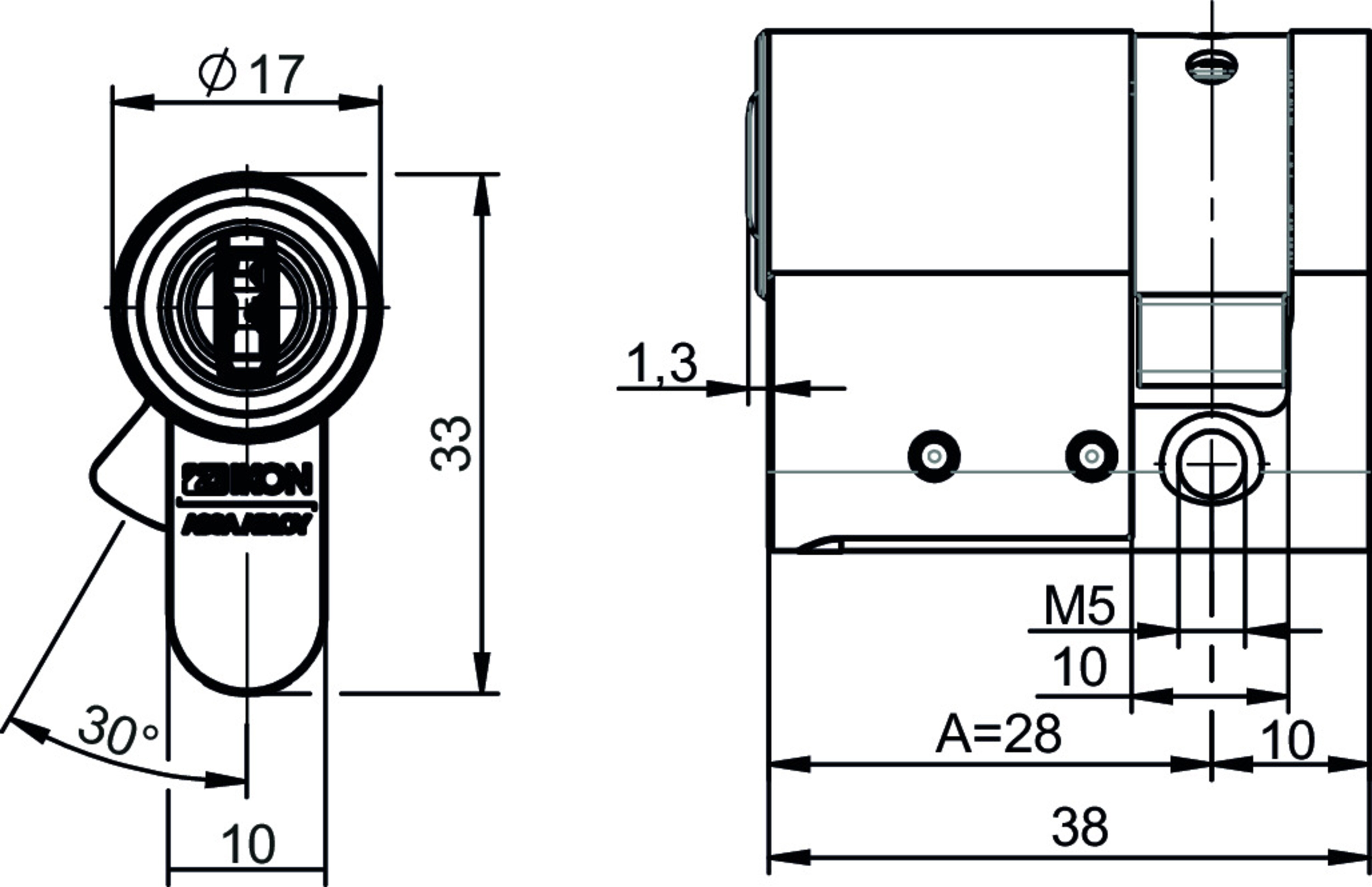
  • Základní délka cylindrické vložky 30 mm (A) (L=30) – k dispozici jsou i jiné montážní délky – flexibilní modulární systém
  • Volitelně odlišná základní délka cylindrické vložky 28 mm (A) (L=28)
  • Standardní poloha uzamykacího palce 45°
  • Standardní poloha uzamykacího palce (SST=8x45)
  • Palec z nerozbitné, korozivzdorné nerezové oceli
  • Nevyžaduje údržbu až do 200 000 cyklů
  • Krytí proti stříkající vodě IP54
  • Standardně bez upevňovacího závitu
  • Splňuje třídu RC3 podle ČSN EN 1627:2022 a CP NBÚ
Volitelné
  • Volitelně odlišná základní délka cylindrické vložky 28 mm (A) (L=28)
  • K dispozici jiná poloha uzamykacího palce (SST=12x30)
  • Volitelně k dispozici s dvojitým uzamykacím palcem (VAR=K901310-X-BIFFAR)
  • Volitelně s SST=FZG (viz informace o funkci FZG v návodu k obsluze)
  • Volitelně k dispozici s ochranou proti odvrtání třídy 2 (AB=2)
  • K dispozici jsou různé polohy uzamykacího palce v krocích po 30° a 45°
  • K dispozici je prachová a dešťová krytka (SUR=3) IP55
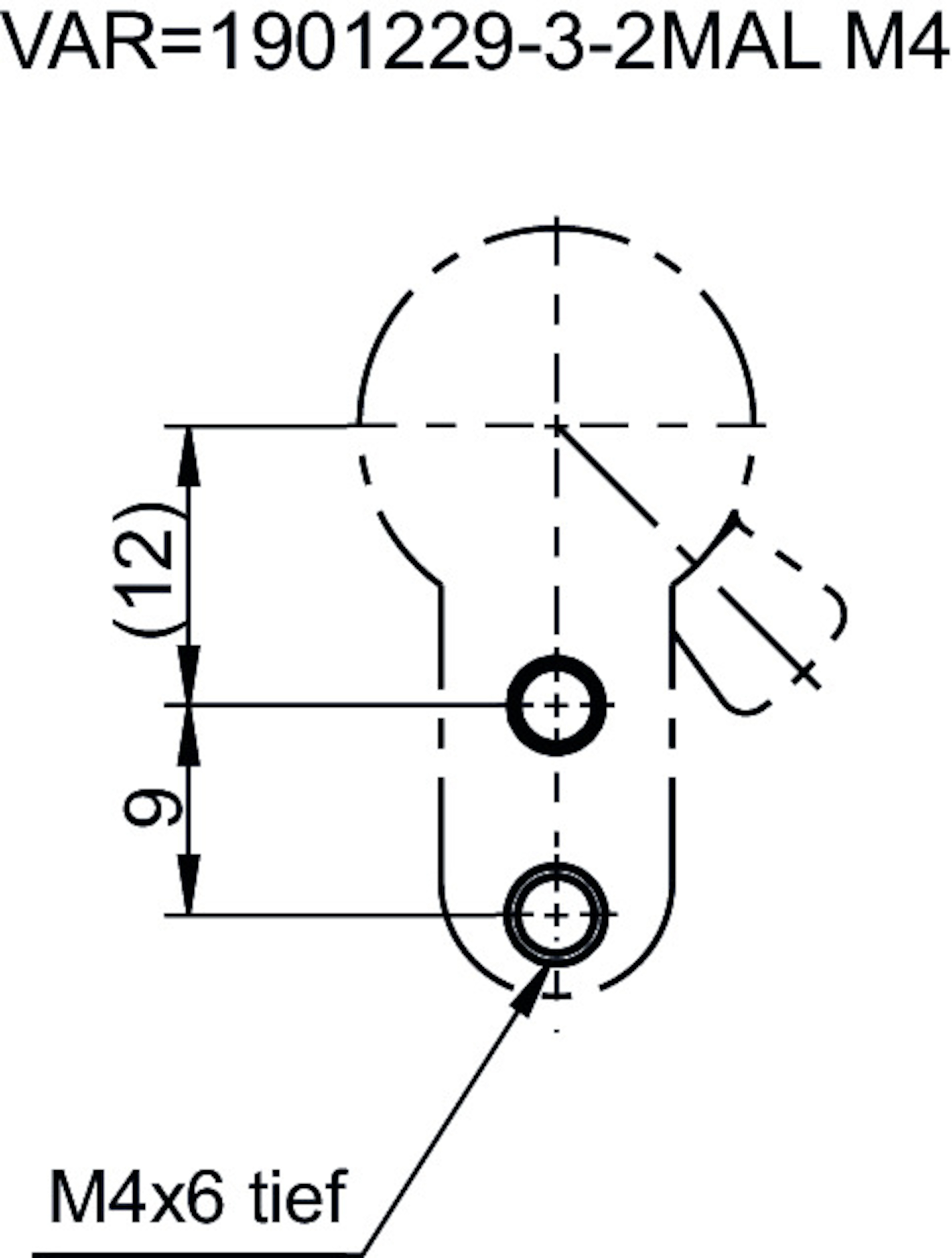
  • Volitelně s upevňovacím závitem (VAR=1901229+3+2MAL M4)
  • Volitelně DIN EN 15684 s ochranou proti vyvrtání třídy 2 (SZ=DIN-D, AB=2)
Obsah balení
  • 1 Jednostranná cylindrická vložka
  • 1 Upevňovací šroub M5 x 85 mm
Objednací údaje
  • Funkce volného chodu pouze bez VAR=STARR

Cookie consent

This video is hosted by YouTube. By showing the external content you accept the terms and conditions of www.youtube.com.

*Your choice will be saved in a cookie until you have closed your browser.